Универсальное зарядное устройство «ЛЯГУШКА». Набор для сборки DIY KIT
Господа, сегодня речь пойдет об очередном наборе для самостоятельной сборки.
Собирать будем достаточно популярную вещь, а именно Универсальное Зарядное Устройство для литий-ионных аккумуляторов, которое в народе именуют «лягушкой»!
Весь конструктор уместился в маленьком пакете, при этом всё приехало в целости и сохранности.
Содержимое пакета состояло из корпуса лягушки, монтажной платы, светодиодов, керамических и электролитических конденсаторов, диодов, стабилитрона, катушки и инструкции на понятном нам китайском языке=)
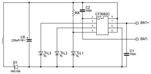
Кстати, схема в этот раз действительно пригодилась, так как на плате не указаны номиналы элементов. Поэтому, вооружившись мультиметром, стал измерять сопротивление на резисторах.
После этого я приступил к монтажу мелких элементов на плату. Естественно при установке светодиодов, диодов, стабилитрона и электролитических конденсаторов не забываем соблюдать полярность! У светодиодов и конденсаторов длинная ножка «+», соответственно короткая «-«.
Кстати, что касается светодиодов! Я выставлял высоту на глаз, вставлял их в корпус лягушки и примерно понимал на какой высоте от платы они должны находится. Но только в самом конце сборки я понял, что всё делается гораздо проще. В комплекте были специальные пластиковые стойки под светодиоды, которые и выставляют их на нужную высоту!=)
Ну и в завершении впаиваем микросхему и катушку. По сути, на этом сборка электрической части закончена.
Как выяснилось, сборка радиоэлементов — это не самый сложный этап сборки в этом конструкторе.
Гораздо сложнее, для меня лично, оказалась сборка корпуса! Начал я с нижней части, а точнее с установки контактов вилки! Она кстати китайская, поэтому для пользования этой лягухой понадобиться еще и переходник под православные розетки (Славный Друже Oblomoff)!=))
С внутренней части корпуса вилка крепится двумя ножками, которые в свою очередь держаться прижимным пластиковым держателем с винтиком.
Переходим к сборке механизма клипсы.
Сначала в клипсу ставится контактная ножка, сверху еще один контакт, который в дальнейшем будет припаян к плате. И в завершении этой конструкции пластиковый диэлектрик с винтиком! Со вторым контактом проделываем всё тоже самое!
И вот теперь переходим к самому страшному — установка Клипсы на корпус!=)) Для этого необходимо натянуть пружины и закрепить их на клипсу!
Сразу скажу, что я этого сделать так и не смог. В своих безуспешных попытках я просто сломал одно из креплений!
В итоге я плюнул на это дело и стал припаивать контакты от клипсы к плате зарядного устройства.
Дальше необходимо совместить обе половинки корпуса и скрепить с помощью винтика.
УРА, товарищи!
Лягушка собрана!
Наступило время тестирования!
Для теста я взял разряженный аккумулятор от телефона и замерял его напряжение!
Дальше мне необходимо было установить батарейку в клипсу, но из-за моей криворукости я так и не смог её собрать, поэтому аккумулятор я зафиксировал с помощью изоленты!
Ну и первое включение=)
Засветился один светодиод, который сообщает о том, что идет зарядка! И в таком состоянии я оставил зарядное устройство на несколько часов!
Спустя три или четыре часа ожидания я проверил зарядку.
Индикация не изменилась, по-прежнему горел средний светодиод, хотя в теории аккумулятор должен был быть полностью заряжен и должен был светиться правый белый светодиод, означающий, что заряд окончен. В итоге я извлек аккумулятор и вставил его обратно в телефон, а телефон поставил на зарядку, при этом аппарат сообщил, что заряд не требуется. Тогда я проверил напряжение аккумулятора с помощью мультиметра. Напряжение оказалось равным 4.11 вольт!
Это означало, что собранное мной зарядное устройство работало, но не идеально!=)
Подведу итоги.
Конструктор действительно занимательный, но к сожалению качество корпуса и крепежных элементов оставляет желать лучшего.
По факту я получил наполовину работающее устройство стоимостью в два раза дороже, чем аналогичный готовый продукт.
Все винтики, которыми я усердно пытался закрепить элементы и сам корпус лягушки, после первого же испытания просто вывалились из отверстий! Из трех светодиодов работал только один — средний! Ну, а про крепление клипсы к корпусу я вообще молчу! Натяжение пружин настолько сильное, что сделать это в домашних условиях просто нереально!
Увидимся в следующих обзорах! Всем удачи!
Мощная зарядка для телефона: как выбрать
Зарядка для телефона – всем известное устройство, с помощью которого можно подключить любое гаджет к электрическому питанию от сети. Хотя прибор сам по себе кажется достаточно примитивным, но его также коснулся технический прогресс. Так, самые современные модели способны объединять в себе множество функций и удивлять своими технологическими возможностями.
Особенности устройства
Считается, что сетевая зарядка для телефона появился гораздо раньше, чем гаджет, поскольку ее использование возможно в разных сферах жизнедеятельности. Телефонная зарядка является посредником, передающим переменный ток от источника электроэнергии непосредственно к устройству работающему на заряжаемом аккумуляторе.
Внешне зарядка телефонов не отличается особо сложным дизайном.
В основном зарядка к телефону состоит из пластиковой головки с «вилкой» для розетки, обеспечивающей подключение к электросети. Дальше необходимы кабеля для зарядки телефона, которые обеспечивают подключение устройства к электропитанию. К слову, чтобы подключить любой электроприбор к питанию, необходим переходник, рассчитанный на конкретную модель. Раньше все это было сплошным изделием и в случае поломки необходимо было покупать новое. Теперь головка и шнур являются отдельными частями, и легко заменяются, если какая-либо часть выходит из строя.
Небольшой вес и компактные размеры позволяют позаботиться о том, чтобы все всегда было под рукой. Устройство легко складывается и не занимает много места, что позволяет носить его с собой даже в небольшой сумочке, ведь сейчас 
Еще несколько лет назад каждая модель смартфона имела свои технические параметры и подходила только под одну модель. Так существовала зарядка для телефона huawei, samsung, nokia и т.д. и подходили они только к изделиям конкретной марки. Сегодня каждая компания также выпускает свои товары, но они являются более универсальными.
Теперь современная многофункциональная зарядка для телефона может использоваться для заряда:
- смартфонов любой марки и модели;
- различных планшетов;
- умных часов;
- портативных аккумуляторных батарей и т.п.
Зарядка на телефон: существующие виды
Современные компании – производители предлагают пользователям следующие виды приборов рассчитанных на зарядку телефонов:
- Сетевая – стандартная, всем знакомая проводная зарядка до телефона, подключаемая к электросети. Эту разновидность принято также делить на импульсные и трансформаторные устройства.
Недостатком первых является отсутствие устойчивости к скачкам напряжения. Второй тип приборов способен обеспечивать защиту от перепадов и вырабатывать запасной ток. Принято использовать для устройств с аккумуляторными батареями Ni-MH и Ni-Cd. - Автомобильная — мощная зарядка для телефона, обеспечивающая пополнение батареи в дороге. Используется исключительно в автомобилях, поскольку подключается к питанию через гнездо прикуривателя. От пользователя потребуется выбрать качественный переходник и подключить к нему
штекер для зарядки телефона. - Беспроводная – современная подзарядка для телефона, существенно отличается от других видов. Отсутствие каких-либо проводов делает ее невероятно удобной для использования в любых условиях. Такие приборы не просто комфортны, но еще имеют необычный, привлекательный дизайн. Пользователю понадобится просто подключить прибор к сети и больше не нужно возиться с проводами. Они могут иметь вид небольшого диска.
Но наиболее популярная форма это органайзер для зарядки телефона, с использованием которого справятся даже дети. Но такой вариант заряда подходит не всем моделям, а только тем, которые поддерживают такую возможность.
Отдельно стоит упомянуть универсальные устройства, которые подходят всем моделям гаджетов. Независимо от марки телефона зарядку прибор обеспечивает непосредственно для батареи. Такая «лягушка» состоит из штекера для подключения к сети. Также в комплекте разные коннекторы и кабели для зарядки телефонов всех типов.
Еще одно интересное устройство – портативный аккумулятор, работающий на солнечном свете. Прибор накапливает солнечную энергию и дальше способен отдавать ее смартфонам. К этому виду можно подключить планшет, часы и т.д., главное иметь нужные переходники.
Какой порт выбрать
Сейчас используются зарядные приборы для техники, которые также принято делить по типу разъемов:
- USB шнур – предназначен для телефонов, зарядка которых осуществляется от сети.
Чаще встречается в моделях выпускаемых ранее. - Micro USB шнур – современный тип используется для техники Евросоюза, начиная с 2011 года.
- зарядка для телефона type c – считается универсальным вариантом, который можно использовать в качестве разъема для USB шнуров и приборов.
- Apple lightning – тип разъема, используемый для заряда продукции компании Apple.
- DC – разъем обеспечивающий передачу постоянного тока, с помощью которого осуществляется зарядка для телефона ксиоми и других брендов. Этот тип сейчас используется очень редко.
Дополнительный функционал приборов
Как правило, все зарядные устройства рассчитаны на подключение одного или двух девайсов к одной головке. Но можно заказать зарядку для телефона, к которой можно подключить до пяти разных устройств. При этом все они в равных частях будут обеспечены электропитанием.
В качестве дополнительных «плюшек» девайсы могут быть оборудованы:
- светодиодным индикатором – с его помощью можно контролировать уровень заряда.
По мере накопления энергии индикатор будет менять свой цвет; - дисплеем – будет отображать уровень заряда в процентах;
- Quick Charge – система, с помощью которой любой современный смартфон будет заряжаться быстро, без вреда для аккумулятора;
- Power Delivery – еще одна разновидность технологии ускоренного заряда.
Зарядка для телефона, цена которой зависит от выбранной модели и функционала, сегодня является нужным предметом. По желанию можно найти много интересных моделей. Но обязательными для зарядных устройств теперь являются функции защиты от перегрева и скачков напряжения. Также прибор должен защищать девайс от чрезмерного заряда, короткого замыкания и разряда батареи в процессе подключения к сети.
На что обратить внимание при выборе
Каждая единица умной техники в комплекте имеет зарядное устройство. Но приходит время, когда оригинальные ЗУ приходится менять. Чтобы купить нужное устройство следует помнить:
- Лучше выбирать товар проверенных производителей.
Так можно быть уверенным в покупке надежного, качественного и безопасного устройства. - Следует покупать приборы для нескольких девайсов. Так можно экономить время и подзаряжать сразу несколько приборов.
- Выгодной покупкой будут ЗУ поддерживающие технологии Quick Charge и Power Delivery.
Экипировка и оборудование для выживания | Survival Frog
Emergency Essentials
Вам не нужно беспокоиться о том, что вас застанут врасплох, когда произойдет бедствие. В Survival Frog мы помогаем вам обезопасить себя и свою семью с помощью предметов первой необходимости. Эти предметы для выживания могут помочь вам чувствовать себя комфортно, пока не прибудет помощь или не закончится кризис.
Предметы первой необходимости на случай отключения электричества
Если электричество отключится из-за урагана или широкомасштабной кибератаки, вы можете согреть свою семью и обеспечить связь с предметами первой необходимости, такими как туристическое одеяло, грелка для рук и аварийное снаряжение на солнечных батареях.
Например, зарядное устройство для телефона на солнечной энергии может полностью зарядить большинство сотовых телефонов три раза. Солнечные фонари помогают вам всегда видеть свое окружение, чтобы вы могли оставаться в безопасности и избегать потенциально опасных ситуаций.
Предметы первой необходимости для выживания на открытом воздухе
Вам нужны средства индивидуальной защиты в чрезвычайных ситуациях и средства выживания, чтобы защитить себя от вреда, когда стихийное бедствие оставит вас без семьи. Набор LifeShield® 1-Person Mess Kit от Frog & CO идеально подходит для выживания, когда вы заблудились или застряли во время похода или похода. Этот комплект включает в себя все, что нужно одному человеку, чтобы справиться с неприятной ситуацией, и он может поместиться в вашем рюкзаке для активного отдыха, поэтому он всегда будет с вами. С консервным ножом, водонепроницаемыми спичками, походной чашкой и карманной плитой вы можете восстановить силы, чтобы обратиться за помощью.
Упакуйте вместе с собой комплект LifeShield® Warmth & Outdoor Shelter Kit от Frog & CO, и у вас будет убежище, тепло и продукты для приготовления пищи, необходимые для обеспечения безопасности и выживания.
Предметы первой необходимости для личной безопасности
Никогда не знаешь, когда возникнет потенциально опасная ситуация, угрожающая твоей личной безопасности или безопасности тех, кого ты любишь. Вы можете быть уверены, что у вашей семьи есть инструменты для самообороны с комплектом самообороны, который включает в себя электрошокер, перцовый баллончик и личную сигнализацию в удобном для переноски футляре.
Основы чрезвычайной ситуации, чтобы оставаться в курсе
Чем больше вы информированы во время кризиса, тем легче вам будет сделать выбор, ведущий к безопасности и выживанию. Комплект LifeShield® Light & Communications Survival Kit от Frog & CO включает в себя карманное радио, которое может передавать экстренную информацию одним нажатием кнопки.
Он также снабжен средствами выживания и самообороны, чтобы вы могли видеть и реагировать на свое окружение соответствующим образом.
Предметы первой необходимости для защиты вашей семьи
Вы лучше всех знаете свою семью и знаете, что нужно для их безопасности в чрезвычайной ситуации. В Survival Frog мы помогаем вам запастись всем необходимым на случай чрезвычайной ситуации, чтобы вы чувствовали душевное спокойствие независимо от того, какой кризис может произойти. От основ, таких как еда, вода и фонарики, до аптечек и инструментов для выживания, вы можете подготовиться к тому, чтобы пережить самые серьезные угрозы сегодня. Потратив время на подготовку к чрезвычайным ситуациям, вы можете помочь себе и своей семье оставаться в безопасности в случае неожиданного бедствия, которое оставит вас без электричества, еды, воды, тепла или крова.
Секретное искусство разведения лягушек принесет большие деньги — Новости Матери-Земли
Узнайте о разведении лягушек.
Спрос на эту необычную культуру, не требующую особого ухода, превышает предложение.
Секретное искусство выращивания лягушек
Большинство предприимчивых фермеров могут рассчитывать на получение около 69 долларов валового дохода с акра пшеницы . . . примерно 160 долларов из того же количества кукурузы… и около 175 долларов за акр соевых бобов. Затем есть Леонард Слабо, фермер из Миссури, у которого полностью другой подход. Ибо Леонард клянется, что его очень необычный урожай — Живых лягушек-быков — приносит полную прибыль в размере 10 000 долларов . . . за акр. . . а требует всего один час своего времени каждый день!
«Почему я могу собирать 6000 лягушек в год на этой двухакровой ферме. . . и я получаю от 2,50 долларов за фунт до долларов за 25 долларов за лягушку!» Леонард Слабо — на фоне ворчания и хрипов — рассказывал мне свою историю успеха с таким же энтузиазмом, как золотоискатель, внезапно разбогатевший.
«Да, с этими маленькими негодяями можно заработать большие деньги. Пойдемте к заводчику, и я вам все расскажу».
Лягушки шлеп, шлеп, шлеп
Когда мы подошли к мини-озеро, я увидел сотни испуганных гигантских лягушек-быков, прыгающих в воду. Затем, через полминуты, над поверхностью пруда начали выглядывать пары глаз размером с мрамор, словно перископы подводных лодок, высматривающие врага.
Настоящих лягушек-быков (Rana catesbiana) — перепончатых домашних животных, на которых специализируется Слабо, — несложно идентифицировать, поскольку они являются самыми крупными лягушками, обитающими в континентальной части Соединенных Штатов. Хотя их естественная среда обитания сосредоточена вокруг лесных озер и прудов на востоке и юге США, эти прибыльные амфибии, как известно, процветают в культивируемых водах на западе, вплоть до побережья Тихого океана, и на севере, вплоть до юга Канады.
Рынки продажи лягушек
«Спрос превышает предложение. .
. так было всегда, — продолжил Леонард Слабо. «Я продаю все, что могу произвести, и люди до сих пор стоят в списках ожидания: сети супермаркетов и оптовые магазины покупают их в огромных количествах. Крупные рестораны хотят, чтобы их отправляли на льду. Люди приходят сюда и забирают их полными ведрами . В средних школах и колледжах лягушки-быки нужны для уроков биологии, а лаборатории используют их для медицинских экспериментов. Ведь рынок постоянно растет».
Как я вскоре узнал от мистера Слабо, даже в НАСА (космическом агентстве) есть ученые, которые хотят запустить несколько его лягушек на орбиту! Они будут платить ему по 25 долларов каждый — за 30 его лучших акций в месяц — до истечения контракта в 1982 году. Это 750 долларов в дополнение к предполагаемому ежемесячному доходу от 1500 до 2000 долларов, который Леонард теперь получает, выращивая своих гигантских горбылей!
Разведение лягушек: секретная индустрия
Если разведение лягушек так прибыльно, то почему этим не занимается больше людей? «Это секретный бизнес, — признает г-н Слабо.
«Я пытался выращивать лягушек, когда мне было 18 лет, но — тогда — я не знал, как сохранить достаточное количество каждого вывода до товарного размера, чтобы оно стоило того. О, я хорошо разговаривал с другими фермерами, но они представили разведение лягушек худшим занятием в мире и не оказали мне никакой помощи. Я даже искал печатные материалы на эту тему, но их просто не было».
Почему такая секретность? Леонард теперь считает, что знает ответ. «Успешные фермеры просто не хотят говорить о бизнесе. Чем меньше нас в нем, тем лучше. Это как волшебник, который не хочет объяснять ни один из своих секретов. Как бы вы ни старались, вы просто не сможете сделать фокус, если кто-то другой не покажет вам, как это делается. О, вы могли бы догадаться о некоторых из них самостоятельно. . . если вы потратите двадцать лет на попытки. . . но это того не стоит. Ну, разведение лягушек — то же самое».
Затем Слабо рассказал мне, что самка Rana catesbiana — дикая или одомашненная — откладывает до 20 000 яиц вдоль края пруда.
Если оставить их в покое, около 90% этих яиц либо опустятся на дно и умрут, либо будут съедены хищниками, прежде чем через несколько дней из них вылупятся головастики. И из тех немногих счастливчиков, которые доберутся до этого места, все, кроме 6-10 уязвимых малышей, каким-то образом станут жертвами природы (и друг друга, потому что они каннибалы) в течение почти двух лет, которые на это уйдут. чтобы у них выросли ноги и они стали взрослыми лягушками. Другими словами, шансы на выживание вида составляют всего лишь 20 000 к 10!
Таким образом, волшебный секрет зарабатывания больших денег в этом бизнесе сводится к одной золотой заповеди: Найдите какой-нибудь способ увеличить соотношение выживаемости яиц и лягушек в ваших прудах. Неопытные фермеры — те, кто начинает с нуля, не посоветовавшись со старыми руками, такими как Леонард Слабо, — на горьком опыте обнаруживают, что может потребоваться несколько лет, чтобы выучить все, что Леонард сказал мне, всего за несколько часов.
Даже если вам придется самостоятельно разбираться с «деловыми хитростями», усилия все равно могут того стоить. Потому что, вооружившись этими секретными семью, новичок может начать производить от 5 000 до 10 000 товарных лягушек-быков 9.0029 от каждой пары заводчиков на его ферме за первые два года эффективной работы!
Теперь это может быстро принести серьезные деньги, так что вы, очевидно, намного впереди игры, если вы можете почерпнуть мозг хитрого успешного ловца лягушек (например, Леонарда Слабо), прежде чем погрузиться в бизнес. . . а не после. Мне посчастливилось сделать именно это. . . и вот что я узнал:
Секреты выращивания лягушек раскрыты!
За годы работы Слабо пришел к выводу, что система размножения, выведения и созревания с пятью прудами (один ПИТАТЕЛЬНЫЙ, один ВЫДЕРЖАЮЩИЙ и три ВЫРАЩИВАЮЩИХ пруда) лучше всего подходит для его двухакрового предприятия.
Первым из этих водоемов является ПРУД-ЗАВОДЧИК. Этот постоянный «дом» для взрослых самцов и самок Леонарда (в возрасте от 4 до 25 лет!) имеет размеры 20 на 100 футов и 4 фута в глубину и содержит около 100 земноводных (наполовину самцы, наполовину самки).
Естественно, это «ключевое» мини-озеро Слабо, и он принял меры для его защиты. Несколько лет назад Леонард установил вокруг пруда высокий гофрированный алюминиевый забор, чтобы отпугнуть собак, кошек, енотов и других хищников. Позже он добавил проволочное ограждение закопал примерно на 18 дюймов в глубину, чтобы препятствовать тому, чтобы животные, роющие норы, рыли себе путь. (В конце концов, он установил такую же защиту вокруг всех своих прудов.) в конце весны и начале лета», — говорит Леонард. «Когда каждая самка откладывает яйца, они выглядят как крошечные черные семена, взвешенные в прозрачном желе. Эти массы яиц называются икрой, и они некоторое время цепляются за траву и водные растения по всему краю пруда, пока я не смогу выйти, чтобы собрать их. И я делаю это своим делом как можно скорее чтобы все эти яйца не опустились на дно и не ушли от меня!
«Обычно я собираю пару полных ведер яиц за раз. Затем я переношу их на лоток инкубатора.
Этот контейнер — деревянная рама размером 2 фута на 2 фута на 4 фута в глубину, с пластиковой проволочной сеткой, прибитой поперек дна, — защищает нежную икру (пока она подвешена в ПРУДУ-ВЫДЕРЖАТЕЛЕ) до тех пор, пока она не вылупится.
Поскольку крупные головастики, как правило, питаются более мелкими — и лягушачьими яйцами, — Леонард быстро переносит вылупившихся за день извивающихся детенышей из лотка инкубатора прямо в пруд глубиной 50 на 20 на 4 фута. К тому времени, когда всех новых щупалец убирают с лотка, они вырастают примерно до одинакового размера и, похоже, больше не заинтересованы в том, чтобы беспокоить друг друга.
«Я получаю около 85% выживаемости — почти 17 000 головастиков из каждых 20 000 яиц — и, , поверьте мне, это трудно превзойти!» Эта «секретная» техника вылупления — одна из причин, по которой Леонард Слабо получает такую прибыль от своего разведения лягушек.
Слабо считает, что еще одной причиной является его особый дизайн РАСТУЩЕГО ПРУДА.
Проведя всего 4-5 месяцев в бассейне Леонарда, его головастики превратились в лягушек и готовы провести следующие пару лет, откармливаясь в его трех U-образных мини-озёрах. Рукав каждой буквы «U» составляет около 150 футов на 15 футов на 4 фута в глубину, и из-за их необычной формы водоемы имеют большую площадь берега по отношению к своему объему, чем обычные круглые или продолговатые озера. На самом деле, с высоты птичьего полета этот «растущий участок» на ферме Слабо выглядит скорее как длинный извилистый канал, чем как серия из трех прудов.
Счастье — это чистый дом: содержание прудов с лягушками в чистоте
Хотя некоторые фермеры экспериментировали с гигантскими пластиковыми или бетонными бассейнами, Леонард обнаружил, что земляные пруды — с естественной растительностью на их берегах — производят большее количество более здоровых лягушек. Кроме того, он поощрял этот рост, засеивая постоянную «пастбищную смесь» дикорастущих семян и клевера вокруг своих мини-озер. (Пара коз на внешней стороне забора держит все красиво подстриженным, чтобы прохожие могли это видеть.
) Несколько местных водных растений штата Миссури в самих бассейнах добавляют последний штрих.
(Немного южнее, в Арканзасе, лягушачий фермер Вол Браширс держит берега своих карманных озер, засаженных кресс-салатом, мятой перечной, ирисом, лилиями, тростником и другими местными болотными растениями. Вол также считает, что естественная среда лучше подходит для его водного скота и что это устанавливает «экобаланс», который поддерживает лягушачьи пруды естественным образом чистыми и чистыми.)
В качестве последнего штриха самоочищения Слабо постоянно оставляет струйку воды, протекающую через его пруды. Проволочные фильтры на каждом конце цепочки бассейнов защищают от посторонних предметов и змей, поедающих лягушек.
Время кормления лягушек
Естественный рацион взрослых лягушек-быков состоит в основном из живых летающих насекомых, но у Леонарда есть «секретная» пищевая добавка, которая, как он клянется, значительно увеличивает скорость роста его домашнего скота.
Он не сказал мне, что это за добавка. . . но я заметил тысячи крошечных раков, прыгающих в прудах Слабо как с его головастиками, так и со взрослыми стадами. Однако Леонард не хотел много говорить о раках, поэтому мы забросили эту тему.
(В Арканзасе Вол Браширс говорит, что его лягушки любят раков и едят почти исключительно их. Вол добавляет в рацион земноводных несколько летающих насекомых, развешивая ряд лампочек вокруг водянистых домиков лягушек. Огни — которые остались на пару часов каждую ночь — привлечь тысячи летающих закусок для его вечно голодных, но толстых лягушек-быков.)
Поскольку головастики в основном вегетарианцы — за исключением слишком частых поеданий своих братьев и сестер — им нужно много натуральная зелень пруда, которую можно есть, пока она растет. Здоровое цветение водорослей может обеспечить детенышей земноводных как фитопланктоном, так и зоопланктоном. . . которые также наслаждаются обыкновенным «прудовым мхом» или спирогирой.
Эти натуральные продукты, очевидно, следует поощрять.
Имейте в виду, однако, что вы можете получить слишком много хорошего . . . в этом случае рост сорняков и водорослей. То есть: взрослые лягушки действительно дышат воздухом, но головастики должны получать кислород из воды, в которой они плавают. . . а сорняки и водоросли иногда могут вытянуть из водоема столько кислорода, что ни на что другое не остается ничего. Если вы когда-нибудь увидите, как ваши хвостики всплывают на поверхность и пытаются дышать (точно так же, как рыбы иногда делают в стоячем озере), снимите или иным образом обрежьте рост растений в этом пруду. . . немедленно.
Болезни лягушек
Хотя лягушки-быки кажутся довольно устойчивыми к болезням — у Слабо никогда не было эпидемий среди его стада — две болезни могут поразить ваши водные культуры, если вы позволите своим прудам стать переполненными или грязными.
Сапролегния — уродливый грибок, который иногда растет на коже лягушки-быка, и это заболевание очень заразно.
Лекарства не существует, и инфицированных земноводных следует отделить от их здоровых братьев и сестер и уничтожить как можно скорее.
Другое — не менее уродливое — заболевание вызывается bacillus hydrophillus fascus и широко известно как «красная ножка». Сленговое название происходит от того факта, что бактерии вызывают закупорку, отек и покраснение кровеносных сосудов на лапках лягушки. Это состояние может быть фатальным. . . но его часто излечивают, просто держа зараженных амфибий вне воды и в прохладном месте в течение нескольких дней.
Как и в случае с большинством болезней, которые поражают любой домашний скот на ферме, две упомянутые выше болезни лучше всего «вылечить», предотвратив их в первую очередь. А чистота — лучшая профилактика из всех. (Это главная причина, по которой Слабо поддерживает струйку воды, циркулирующую в его прудах… она имеет такое же естественное очищающее действие, как и медленный поток в природе.)
Лягушки-быки и спящий режим
Сезон роста лягушек-быков в южном Миссури длится с ранней весны до поздней осени.
Однако, как и следовало ожидать, амфибии значительно замедляются по мере приближения прохладной погоды и в конце концов — когда температура падает примерно до 40 градусов по Фаренгейту — впадают в спячку. (То есть: все толстые горбыли спускаются на илистое дно своих прудов, зарываются в них и засыпают до следующей весны.)
«Зима — лучшее время года для меня», — говорит Леонард. . «Это отпуск. Все, что мне нужно делать в холодные месяцы, это не допускать замерзания дна прудов. Топы меня не интересуют. . . даже если лед смерзается в футе или двух от поверхности. Этот лед не будет беспокоить мой дремлющий выводок, пока они окружены водой и грязью, температура которых составляет 32 градуса по Фаренгейту или теплее».
Лягушки-быки и территориальные споры
Когда весна снова ползет по земле, сонные лягушки-быки Слабо выкапываются из своих грязных кроватей, всплывают на вершины своих прудов и выползают на травянистые берега мини-озер.
Хотя растущие пруды Леонарда обычно переполнены, лягушки не возражают, если у каждого самца есть участок берега в три-четыре фута, который он может назвать своим.
И это, конечно, то, где иногда возникают споры. . . как молодой самец ссорится со старым горбылем из-за избранного участка территории. Однако, поскольку у лягушек нет ни зубов, ни когтей, соперники редко причиняют друг другу вред. . . но сражения тем не менее иногда становятся довольно жаркими.
«Да ведь они борются, как мальчишки», — говорит Слабо. «Они подпрыгивают на задних ластах, хватают друг друга за грудь передними лапами и с глухим стуком швыряют друг друга на землю! Затем через некоторое время неудачник просто сдается и ускакивает искать другое место под солнцем. И победитель! Почему он садится на свой участок, надувается и начинает петь любовную лягушачью песенку о том, какой он молодец. И поверьте мне, вскоре у этой лягушки-быка появится кучка самок, высунувших головы из воды и хлопающих глазами в его сторону».
Урожай лягушек
Если вы не знаете лучше, вы, вероятно, представляли себе «облаву» товарного скота фермером-лягушкой скорее в терминах старого фильма «Полицейские Кистоун».
. . с пастухами и амфибиями, которые бегают, прыгают и плескаются взад и вперед по их искусственному болоту, пока одна или другая сторона, наконец, не «сдастся». Нисколько. Операция действительно намного более совершенна, чем это.
Как замечает Леонард: «Диких лягушек легко напугать, но одомашненные, которые вскоре привыкают к тому, что их владелец возится каждый день, становятся совсем как домашние животные. Мои обычно прыгают в воду, когда видят, что я иду. . . но довольно скоро они снова выползают на берег, чтобы узнать, что происходит. Я должен быть осторожен, чтобы не наступить на них.
Эти отношения между пастухом и домашним скотом объясняют, почему техника сбора урожая Слабо может быть не совсем спортивной . . . но почему это, конечно, быстро: Леонард просто ходит ночью с фонариком и отрывает своих амфибий от земли с не большим трудом, чем садовник, собирающий огурцы. Это для мелких заказов. Когда Леонард хочет собрать несколько сотен лягушек за раз, он просто ловит их рыбной сетью.
Очистка лягушачьего улова
Хотя некоторые люди (самые неопытные из нас) склонны относить лягушачьи лапки к той же категории, что и улитки (тьфу! Улитки ), это сравнение действительно ошибочно. Лягушкам-быкам может не хватать красоты, но они чрезвычайно чистоплотные животные. И точно нет (как бы это сказать?). . . склизкий . . . как форель (и большинство других широко употребляемых в пищу сковородных рыб), когда их берут свежими из воды.
«Лягушек легче чистить, чем любых других животных», — говорит Леонард Слабо (и он должен знать, потому что в свое время чистил их немало). На самом деле чистить лягушку намного проще, чем рыбу: просто удалите голову и внутренности, а затем снимите с нее кожу. Вот и все. Каждый кусочек мяса хорош для еды. . . даже если в модных ресторанах подают только задние ноги».
Товарные лягушки Слабо в живом весе около фунта . . . и полфунта одеты. Это означает, что при ценах, которые в настоящее время колеблются от 2,50 до 4,50 долларов за фунт выделанной лягушки, Леонард получает минимальный валовой доход в размере от 1,25 до 2,25 долларов с каждой проданной лягушки.
(И, конечно же, он зарабатывает еще больше на более мелких животных, купленных вживую по более высоким ценам школами, колледжами и исследовательскими лабораториями.) . «Те рестораны берут 18 долларов за тарелку всего за две жареные лягушачьи лапки», — говорит Леонард. — А этот старичок получает восемь долларов за фунт за мясо, которое продает. Почему, он сидит на вершине 9Золотой рудник 0029».
И почему любой платит 18 долларов за две лягушачьи лапки . . . или даже вдвое меньше (как это бывает чаще) за три-четыре барабанные палочки? Потому что мясо чисто белое и по вкусу очень похоже на курицу. . . очень нежная и очень нежная курица. Если вы никогда не ели лягушачьи лапки, вы пропустили редкое лакомство.
С чего начать разведение лягушек
Разведение лягушек-быков — тогда — может быть увлекательным, прибыльным и легким . . . , если у вас есть пара акров земли, с которыми нужно работать, у вас есть хоть немного здравого смысла и вы готовы позволить «старожилу» в бизнесе помочь вам встать на правильную ногу.
«Вам не нужна такая сложная установка, как у меня, когда вы только начинаете», — советует Слабо. «Забудьте о племенном поголовье, о пяти прудах и обо всех прочих излишествах, по крайней мере, на первых порах. Просто купите живых рыбок — их можно перевозить через всю страну — и держите их чистыми и здоровыми в одном пруду. Затем, когда они начнут отращивать ноги, переместите их во второй бассейн и дайте им расти. Самое сложное будет ждать два года, пока ваша первая партия не достигнет рыночного размера, но после этого вы ее сделали. Затем вы можете начать вкладывать деньги обратно в операцию, пока они не станут такими большими, как вы хотите.
И если этот путь в лягушачьем бизнесе вас не привлекает, Леонард предлагает другой подход: «Побалуйте себя». игра. Затем просто позвольте природе идти своим чередом и посмотрите, насколько хорошо вы будете экспериментировать со всем жизненным циклом ваших амфибий в небольшом масштабе в течение пары лет. После этого — если вам нравится это дело — вы можете начать строить пруды и заниматься этим делом по-крупному».
А как вы узнаете, действительно ли человек, у которого вы покупаете первоначальное племенное поголовье, продает вам и самца, и самку лягушки? Легкий. Посмотрите на барабанные перепонки (черные круги сразу за глазами у каждого из ваших тварей). Барабанные перепонки самца будут больше в диаметре, чем его глаза (или примерно в два раза шире, чем пространство между его ноздрями). Барабанная перепонка самки, напротив, будет примерно такого же размера, как ее глаз (или немного меньше, чем пространство между ее ноздрями).
И вам, наверное, лучше купить первую пару производителей, чем пытаться поймать их в дикой природе. Лягушки-быки классифицируются как охотничьи животные в некоторых частях страны, и их отлов подлежит регулированию. В штате Миссури, например, торговая накладная от лицензированного производителя лягушек должна сопровождать каждую партию маточного стада. Во многих регионах даже запрещено перевозить дикую лягушку через границу штата для любых целей!
Короткий путь разведения лягушек
Конечно, если вы действительно хотите заняться лягушачьим бизнесом прямо сейчас и с наименьшим количеством возможных ошибок, всегда есть Леонард Слабо.
После 35 лет проб и ошибок и прибыльных операций он стал таким же авторитетом в этом вопросе, как и любой другой. . . и, как уже было показано в этой статье, Леонарду действительно нравится знакомить других со многими тайнами своей профессии.
Конечно, вы не можете ожидать, что Слабо просто отдаст все знания, над которыми он так усердно работал. Но единовременная плата в размере 1500 долларов, которую он берет за свой «полный курс» по разведению лягушек-быков, кажется достаточно разумной. . . тем более, что он содержит все эти секреты, список проверенных рынков для животных (как живых, так и одетых) и последующую консультационную службу (на случай, если вы столкнетесь с проблемами в своем предприятии позже).
Вы можете связаться с этим «Волшебником Лягушачьей Лощины», написав Леонарду Слабо, Route 3, Box 59, Poplar Bluff, Missouri 63901. Или позвонить ему, набрав (314) 785-7517. Или просто поезжайте к Поплар-Блафф и посетите ферму (часть ее открыта для публики). Вам не составит труда найти это место, особенно ночью: это будет то место, которое наполняет воздух большим хрипом и стонами, чем Великое Мрачное Болото.

