Беспроводная зарядка своими руками для телефона или смартфона – как сделать устройство, что для этого нужно, как устроена, схема зарядного устройства
После появления на рынке беспроводных зарядных устройств, многие задумались над тем, можно ли самостоятельно воссоздать данную технологию. Оказалось, что для этого понадобятся только специальные материалы, инструкция и начальные знания в данной сфере.
Принцип работы беспроводной зарядки
Производители техники стараются разработать наиболее удобное и полезное устройство, которое подошло бы каждому пользователю. Одним из них будет беспроводная зарядка. С ее помощью получится зарядить телефон без использования кабелей.
Электричество можно передавать без использования проводов. Для этого существует три способа:
- лазер;
- звуковые волны;
- электромагнитная индукция.
Для беспроводной зарядки применяется последний вариант. Он наиболее удачный с коммерческой точки зрения.
Данная технология разрабатывается компанией Wireless Power Consortium на протяжении более 10 лет.
Для работы необходимо, чтобы данной технологией обладала не только зарядка, но и сам телефон. Без этого он не сможет зарядиться и придется использовать кабель. Но существуют методы, которые позволяют обойти данное ограничение.
Прежде, чем создавать систему самостоятельно, необходимо разобраться, по какому принципу она работает.
Для начала необходимо напряжение сети, которое преобразуется в переменный ток. Он подается на катушку передатчика и создается магнитное поле. Оно распространяется на определенное расстояние и принимается катушкой приемника. С помощью специальной микросхемы оно преобразуется в постоянный ток.
У данной технологии есть свои преимущества и недостатки. Так, она позволяет заряжать смартфон без проводов, но для этого требуется значительно больше времени.
К тому же такое устройство стоит значительно дороже, а от проводов все равно не получится избавится. Чтобы беспроводная зарядка начала работать, ее требуется подключить к сети.
Как сделать беспроводную зарядку своими руками?
Прежде чем делать подобное устройство, необходимо полностью ознакомиться с инструкцией и материалами, которые потребуются. В противном случае может оказаться, что в самый нужный момент не хватит знаний или нужных приспособлений.
А неумелые действия пользователя могут привести к поломке смартфона, поэтому все последующие действия проводятся на свой страх и риск.
Нужные материалы
Для создания устройства, понадобятся:
- плата, основа на которую будут крепиться все основные элементы;
- катушка индуктивности, она должна иметь высокое сопротивление переменному току, понадобится от 5 до 10 витков, провод должен быть диаметром в 1 мм;
- пленочный конденсатор, емкость которого составляет от 0,33 до 1 микрофарада;
- выпрямитель UF в количестве 2 штуки;
- высоковольтные транзисторы, которые способны усилить напряжение до 10 Вольт;
- паяльник;
- преобразователи тока, которые имеют номинальную мощность рассеивания до 1 Ватт, 2 штуки;
- припой.

После того, как все материалы будут собраны, можно приступать к созданию беспроводной зарядки для телефона.
Изготовление передатчика
Для начала необходимо изготовить передатчик. Это и есть сама зарядка, которая будет передавать ток через специальное поле.
Для начала необходимо сделать контур из длинного провода. Его складывают пополам. Оправа, на которую будет наматываться медный провод, должна быть диаметром 5-10 см. Понадобится около 40 витков. По периметру конструкцию необходимо закрепить скотчем.
Петлю следует обрезать, чтобы получилось 4 конца. Их следует зачистить и подсоединить начало первой обмотки к концу второй и наоборот. Для определения можно воспользоваться мультиметром. «Активную» часть следует спаять, чтобы образовалась средняя точка, которая пойдет к плюсу питания.
Свободные концы необходимы для подключения к ним резисторов.
Затем припаиваются диоды и два транзистора. Концы резисторов должны быть распределены между платой и диодами.
Приемник
Как только передатчик будет готов, можно переходить к созданию приемника для беспроводной зарядки для смартфона. В современных моделях смартфонов, данная технология присутствует. Но в старых версиях и кнопочных телефонах, их нет. Тогда, его придется изготовить самостоятельно.
Для удобства нужно взять небольшой кусок пластмассы. Также понадобится скотч и суперклей. Необходимо сделать 25 витков, диаметр проволоки будет 0,3-0,4 мм. Витки должны быть плотно прижаты друг к другу. Их можно крепить на двухсторонний скотч и заливать суперклеем. Это не позволит конструкции сломаться.
К аппарату приемник должен подключаться через диод. Витки следует аккуратно отделить от поверхности.
После того, как устройство будет изготовлено, необходимо подумать о том, как оно будет подключаться.
Сделать это можно напрямую к аккумулятору или разъему, который используется для зарядного устройства.
Отладка
После того, как оба устройства будут подготовлены, следует провести отладку. Это настройка зарядного устройства, подключенного к телефону. Лучше взять старую модель, чтобы проверить технологию на нем.
В случае, если какое-то устройство дало сбой или потеряло напряжение, рекомендуется проверить всю схему беспроводной зарядки. Возможно некоторые элементы плохо подсоединены.
Проверка
Чтобы проверить работоспособность полученной зарядки, ее следует подключить. Для начала, беспроводное ЗУ включается в сеть для получения напряжения. После этого, следует поднести телефон и убедиться, что заряд идет. Если же нет, то в момент сборки были допущены ошибки.
Беспроводная зарядка / Хабр
zim48Робототехника DIY или Сделай сам Электроника для начинающих
Всем привет.
Приобрел на китайском сайте комплект для беспроводной передачи энергии, также называется беспроводная зарядка. Конечно, данное устройство можно собрать своими руками самостоятельно, в интернете схем беспроводных зарядных устройств хватает. Но я захотел приобрести именно законченное устройство, предлагаемое нам как DIY устройство. Использовать в качестве беспроводной зарядки для мобильного телефона, я не собирался. А вот в робототехнике, я видел явные преимущества по сравнению с проводными зарядными устройствами.
Созданное вами в робототехнике устройство, может самостоятельно оценивать заряд батареи и по мере надобности самостоятельно произвести подзарядку. К примеру, роботу, достаточно подойти на соответствующее расстояние к зарядному устройству и процесс зарядки начнется. Весьма удобно, хочет робот оставаться в рабочем состоянии пусть сам о себе заботится.
Беспроводная зарядка состоит из двух частей, приемника и передатчика энергии.
Напряжение питания передатчика двенадцать вольт, а при этом выход у приемника составляет пять вольт.
Заявленный максимальный ток зарядки составляет шестьсот миллиампер. Дополнительной документации на сайте не было. Порывшись в интернете, выудил следующую информацию. В приемнике используется микросхема T3168
В отличие от приемника, передатчик энергии, назову это так залитый компаундом. Соответственно добраться до платы не предоставлялось возможным. В документации к приемнику шла ответная схема передатчика.
Но я все-таки добрался до платы (при помощи молотка), как оказалось, схема отличается. На плате было установлено две микросхемы, без каких либо обозначений. Скудную информацию о таинственных микро сборках удалось получить на форумах. Я выяснил, что это два мощных транзистора включенных в режиме высокочастотного генератора. Впоследствии я выяснил, что приобрести можно и открытую плату без заливки.
Что касается тока зарядки. Беспроводное зарядное устройство, как я уже говорил, позволяет заряжать аккумулятор током до 600 миллиампер. Но данный ток мы получим только в непосредственной близости между контурами.
Из таблицы видно соотношение расстояния и тока.
Демонстрацию беспроводного зарядного устройства и ряд другого я снял на видео. В общем, модуль мне понравился. В дальнейшем собираюсь беспроводное зарядное устройство применить в своем проекте.
Теги:
- Беспроводная зарядка
- беспроводное зарядное устройство
Хабы:
- Робототехника
- DIY или Сделай сам
- Электроника для начинающих
Всего голосов 38: ↑32 и ↓6 +26
Просмотры77K
Комментарии 52
Писанец Александр @zim48
Пользователь
Комментарии Комментарии 52
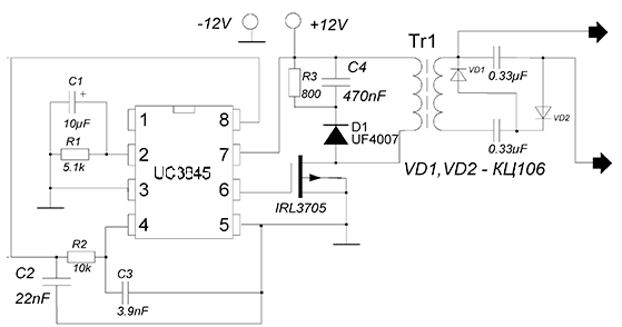
Цепь зарядного устройства для беспроводного мобильного телефона
Вы здесь: Главная / Схемы передатчика / Цепь для зарядного устройства для беспроводного мобильного телефона совместимый мобильный телефон или мобильный телефон, расположенный рядом с ним, посредством высокочастотной беспроводной передачи тока без какого-либо физического контакта.
В этом посте мы узнаем, как построить схему беспроводного зарядного устройства для мобильного телефона, чтобы облегчить зарядку беспроводного мобильного телефона без использования обычного зарядного устройства.
Цель
В этом случае мобильный телефон должен быть установлен с модулем схемы приемника внутри и подключен к штырям разъема для зарядки для реализации процесса беспроводной зарядки. зарядное устройство для запуска предлагаемой беспроводной зарядки.
В одном из наших предыдущих постов мы узнали об аналогичной концепции, объясняющей зарядку литий-ионной батареи в беспроводном режиме, здесь мы также используем аналогичную технику, но пытаемся реализовать то же самое, не извлекая батарею из мобильного телефона.
Кроме того, в нашем предыдущем посте мы всесторонне изучили основы беспроводной зарядки, мы воспользуемся представленными там инструкциями и попробуем разработать предлагаемую схему беспроводной зарядки для мобильного телефона.
Мы начнем со схемы передатчика мощности, которая является базовым блоком и должна быть подключена к сети и для передачи энергии на модуль сотового телефона.
Технические характеристики катушки передатчика (Tx):
Схема передатчика для этого беспроводного зарядного устройства для мобильного телефона является ключевым этапом и должна быть построена точно, и она должна быть структурирована в соответствии с популярной компоновкой катушки Теслы в виде блина, как показано ниже:
ДИАМЕТР КАТУШКИ СОСТАВЛЯЕТ ПРИБЛИЗИТЕЛЬНО 18 CMSИзготовление на печатной плате вышеописанной катушки типа «блинчик».
Вдохновленный вышеизложенной теорией, меньший макет той же катушки может быть выгравирован на печатной плате, как показано на следующей схеме, и подключен как указано:
Размеры: 10 дюймов на 10 дюймов, больший размер может обеспечить более быструю зарядку и лучший выход по току
На рисунке выше показана конструкция эмиттера или радиатора, также вспомните принципиальную схему из нашего предыдущего поста, в приведенной выше конструкции используется точно такая же схема, хотя здесь мы делаем это через печатную плату путем травления обмотки.
макет над ним.
Внимательное наблюдение показывает, что приведенная выше схема имеет пару параллельных скрученных медных дорожек, идущих по спирали и образующих две половины катушки передатчика, где центральный отвод получен с помощью соединенной красной перемычки на концах катушки.
Компоновка позволяет сделать конструкцию компактной и эффективной для необходимых операций.
Расположение гусениц может быть квадратным или овальным с одной стороны и квадратным с другой, чтобы сделать устройство еще более изящным.
Остальная часть довольно проста и соответствует нашей предыдущей схеме, где включен транзистор 2N2222 для возбуждения необходимых высокочастотных колебаний и распространения.
Схема работает от источника 12В/1,5А, количество витков (катушек) может быть выбрано приблизительно в соответствии с величиной питающего напряжения, то есть примерно 15-20 витков на каждую половину катушки передатчика. Более высокие витки приведут к более низкому току и повышенному излучению напряжения и наоборот
При включении можно ожидать, что схема будет генерировать сильный магнитный поток вокруг гусеничной катушки, эквивалентный входной мощности.
Теперь необходимо поглотить излучаемую мощность, используя идентичную схему для выполнения беспроводной передачи энергии и предполагаемой зарядки сотового телефона.
Для этого нам нужен коллектор мощности или схема приемника для сбора излучаемой мощности, это может быть разработано, как описано в следующем разделе:
Размер: 3 дюйма на 3 дюйма или в соответствии с местом для размещения внутри вашего мобильного телефона
Как видно из вышеприведенной конструкции приемника, можно увидеть идентичную компоновку катушки, за исключением того, что здесь две концентрические спирали соединены параллельно для добавления тока, в отличие от компоновки передатчика, которая включала последовательное соединение из-за центра коснитесь ограничения для дизайна.
Конструкция должна быть достаточно маленькой, чтобы поместиться внутри стандартного сотового телефона, чуть ниже задней крышки, а выход, который заканчивается через диод, может быть подключен либо к аккумулятору напрямую, либо через контакты зарядного гнезда (внутри).
После того, как вышеперечисленные схемы мобильного зарядного устройства будут построены, схема передатчика может быть подключена к указанному входу постоянного тока, а модуль приемника размещен прямо над платой передатчика в центре.
На выходе схемы приемника можно включить светодиод с резистором 1 кОм, чтобы получить мгновенную индикацию процесса беспроводной передачи энергии.
После подтверждения операции выход приемника можно подключить к разъему сотового телефона для проверки реакции эффекта беспроводной зарядки.
Однако перед этим вы можете захотеть подтвердить выход на мобильный телефон от модуля беспроводного приемника… оно должно быть от 5 до 6 В, если больше, черный провод можно просто сдвинуть и припаять несколько витков вверх. пока не будет достигнуто нужное напряжение.
После того, как все подтверждения завершены, модуль может быть размещен внутри мобильного телефона, и соединения должны быть выполнены надлежащим образом.
Наконец, надеюсь, если все сделано правильно, сборка может позволить вам держать мобильный телефон непосредственно над настроенным передатчиком и обеспечить успешную беспроводную зарядку мобильного телефона.
Создание практического прототипа
Вышеупомянутая концепция беспроводной передачи энергии была успешно опробована и протестирована с некоторыми изменениями г-ном Нароттамом Гуптой, который является активным подписчиком этого блога.
Модифицированная схема зарядного устройства для беспроводного мобильного телефона и изображения прототипа представлены ниже:
Схема зарядного устройства для беспроводного мобильного телефонаО Swagatam
Я инженер-электронщик (dipIETE), любитель, изобретатель, разработчик схем/печатных плат, производитель. Я также являюсь основателем веб-сайта: https://www.homemade-circuits.com/, где я люблю делиться своими инновационными схемами и учебными пособиями.
Если у вас есть какие-либо вопросы, связанные со схемой, вы можете ответить через комментарии, я буду очень рад помочь!
Самодельное беспроводное зарядное устройство для смартфона 5В Схема своими руками
Самодельное беспроводное зарядное устройство
16.
06.2021 | просмотров: 34733 | Схемы | от: ELECTRONOOBS
Доля
В этом уроке я покажу вам схему простого беспроводного зарядного устройства, передатчика и приемника. Посмотрите, как настроить резонанс и мощность передачи. Затем, как отрегулировать выход приемника на 5 В, чтобы мы могли заряжать смартфон через USB. Надеюсь, вы узнаете что-то новое.
Часть 1 — Что нам нужно?
Ниже у вас есть все детали, необходимые для этой схемы, как передатчик, так и приемник. Выберите размер, который вам нужен для просверленной печатной платы. Конденсаторы передатчика неполяризованные и полипропиленовые. Для приёмника используем поляризованные колпачки Elecrtolytic. Я сделал свои катушки поверх круглой бутылки и использовал суперклей, чтобы закрепить провода на месте.
- 1 х IRFZ44N: ССЫЛКА eBay
- 1 радиатор MOSFET: ССЫЛКА eBay
- 4 диода 1N4001: ССЫЛКА eBay
- 1 медный провод 20AWG: LINK eBay
- .
. - См. полный список деталей: ССЫЛКА eBay
Часть 1 — Схема передачи
Это схема передатчика мощности. В зависимости от того, как вы сделаете катушку, она будет влиять на резонансную частоту вместе с конденсатором 220 нФ, который создает LC-бак. Имеет значение диаметр и количество петель катушки. В моем случае для моих тестов диаметр был 8 см, и я использовал 6 петель с центральным ответвлением посередине, поэтому 3 петли до средней точки и еще 3 после. Эта схема автоматически создаст резонансную частоту, и даже если мы изменим нагрузку, схема будет автоматически адаптироваться. Поскольку затвор MOSFET подключен к катушке. каждый раз, когда напряжение колеблется, транзистор будет включаться и выключаться, создавая колебания.
Светодиод служит только для индикации того, что цепь включена.
Часть 3 — Прототип Tx
Я соединил все на куске просверленной макетной платы. Использование двух толстых проводов в качестве входа, а затем подключение к МОП-транзистору. Чтобы припаять катушку, я использовал штыри на печатной плате. Чтобы сделать катушку, я спаял два одинаковых медных провода, а затем сделал 3 петли с одной стороны и еще 3 с другой. Таким образом, центральная лента будет одинаковой с обеих сторон.
Часть 4 — Схема Rx
Это схема приемника. Я сделал катушку с 10 витками, чтобы она выдавала немного более высокое напряжение. Затем первым шагом является выпрямление сигнала с помощью диодного моста. Мы фильтруем пики с помощью этих конденсаторов, а затем регулируем выходное напряжение 5 В с помощью регулятора AMS1117 или любого другого. Добавляем фильтрующую заглушку на выходе и все для ресивера. Даже если напряжение катушки приемника составляет 16 В, AMS1115 всегда будет поддерживать на выходе максимальное значение 5 В.
Часть 5 — Прототип Rx
Я соединил все на куске просверленной макетной платы. Я снова использовал штыревые контакты печатной платы для подключения катушки приемника, которая в данном случае состоит из 10 витков. Я использовал диоды и сделал выпрямитель, добавил конденсатор и регулятор напряжения сзади, и все. Теперь мы могли подключить USB-кабель к выходу и подключить мой смартфон.
Часть 6 — Испытание
В тестовом видео ниже вы можете увидеть, как на мультиметре выход ограничен 5В. Также как с помощью USB-кабеля я могу заряжать свой смартфон и на самом деле передавать больше энергии, чем коммерческое зарядное устройство, которое я купил на eBay. Схема работает нормально, но ее всегда можно улучшить, проведя дополнительные тесты и изменив параметры катушки, а также добавив в схему еще несколько компонентов.
Часть 7 — Обучающее видео
Пожалуйста, смотрите больше в видеоуроке.![]()


