Микроволновка не работает – причины и возможные неисправности СВЧ
С помощью микроволновки можно быстро разогреть еду, разморозить продукты, приготовить какое-либо блюдо и даже испечь пирог. И когда микроволновка внезапно перестает работать, это может вызывать не только чувство досады и огорчения, но и панику. Ведь мы уже давно отвыкли разогревать еду на плите и тратить на это лишнее время.
У вас не работает микроволновка? Сервисный центр «Вежливый сервис 5+» предлагает воспользоваться услугой – ремонт микроволновых печей на дому в Москве и Санкт-Петербурге, Московской и Ленинградской области. Квалифицированный мастер быстро, качественно и недорого произведет диагностику и ремонт вашего бытового прибора у вас дома. Для этого вам потребуется только заполнить специальную форму заявки на сайте или позвонить по телефону 8(495)707-05-05. Мы работаем с 7:00 до 23:00 без перерывов и выходных.
Причины неисправностей СВЧ
Наиболее частой причиной поломок бытовой техники является несоблюдение правил эксплуатации бытовых приборов.
СВЧ печи не являются исключением. К возникновению неисправностей в них приводят следующие причины:
- Во время работы микроволновки в камере находился металлический предмет. Это может быть не только случайно оставленная в посуде вилка или ложка, но и любой, даже незначительный предмет. Например, металлический зажим на оболочке колбасы или фольгированный ободок на тарелке или чашке. В этот момент микроволновка начинает искрить, может возникнуть замыкания токов на корпусе камеры или печь вовсе перестанет работать.
- Пищу разогревали в неподходящей для СВЧ посуде. При работе микроволновки происходит нагрев продуктов до высоких температур, сильно повышается давление пара внутри закрытого контейнера, которое заканчивается взрывом посуды. Частички пищи, и посуды разлетаются по камере и приводят к ее повреждению.
- Микроволновка работала, но была пустой. Это приводит к возникновению искрения и дальнейшему выходу из строя магнетрона.

Перед началом использования любого бытового прибора необходимо подробно ознакомиться с инструкцией по правилам его эксплуатации. Это даст возможность длительное время пользоваться прибором.
Основные неполадки в работе микроволновой печи
- Микроволновка не включается. СВЧ печь достаточно чувствительна к напряжению в сети. Если напряжение менее 215В, то печь работать не будет. Прежде чем вызвать мастера, обратите внимание на то, с какой интенсивностью горят лампы в комнате или попробуйте включить микроволновку поздно ночью. Если прибор будет работать в штатном режиме, то значит, проблемы в его работе возникают по причине плохого напряжения в сети. Исправить проблему можно установкой стабилизатора напряжения на входе.
- Микроволновка плохо нагревает продукты. В этой ситуации в первую очередь нужно обратить внимание на то, какой режим выставлен. Возможно, включен режим размораживания, а не приготовления пищи. Включение правильного режима.

- Микроволновка не нагревает пищу, хотя включается подсветка, и крутится тарелка. Одной из причин, приведших к подобной ситуации, относится перегорание предохранителя, который стоит перед магнетроном. В этом случае требуется его замена или восстановление пайки провода внутри него. Такой ремонт требует профессионального вмешательства.
- СВЧ печь не работает из-за неисправности в работе магнетрона. Магнетрон может выходить из строя по причине нарушения контактов и требуется их восстановление. Вторая причина – это повреждения колпачка антенны магнетрона. С этой неполадкой сможет справиться мастер.
- Появились повреждения на слюдяной пластине. Характеризуется такая неисправность либо возникновением искрения в районе платины, либо отсутствием или слабым нагревом. Причины неисправности слюдяной пластины заключаются в налипании на нее капель приготавливаемой пищи и пыли. Жир сам по себе является диэлектриком, и в месте его налипания во время работы микроволновки образуется электрическая дуга, которая ведет к пробою корпуса.
Ремонт такой неисправности предполагает замену слюдяной пластины. - При работе СВЧ печи слышен громкий, нехарактерный звук. Это может свидетельствовать о неисправностях трансформатора, диода или вентилятора. Требуется замена неисправных элементов.
- Одна или несколько кнопок сенсорной панели не работают. Мастер сможет восстановить работу кнопок, восстановив целостность контактов. Если все кнопки не передают сигнал, то это говорит о неисправности блока управления, и требуется его замена.
- Тарелка вращается рывками или не вращается вовсе. Затруднения вращений поддона говорит о поломке двигателя. В этом случае мастер сможет его отремонтировать. Но если тарелка вообще перестала вращаться, то, скорее всего, двигатель придется заменить на новый.
- Не закрывается дверца. Во время ремонта мастер определит степень износа блокираторов дверцы. Либо он их отрегулирует, либо заменит на новые.
Ремонт микроволновых печей
Микроволновая печь имеет достаточно сложное устройство и при ремонтных работах требует соблюдения определенных правил по технике безопасности.
Если вы обладаете в электрооборудовании, то можно произвести ремонт несложных поломок микроволновки самостоятельно. Но если подробных знаний нет, и поломка печи предполагает более серьезный ремонт, лучше обратиться в специализированный сервисный центр.
Сервисный центр «Вежливый сервис5+» более 10 лет занимается ремонтом СВЧ печей. Мы ремонтируем СВЧ печи следующих брендов: Panasonic, Whirlpool, Samsung, LG, Daewoo, Scarlett, Vitek, Rolsen и другие. Мы работаем только с оригинальными запчастями, что дает возможность длительной эксплуатации печи после ремонта. На все виды работ мастер выдаст гарантию.
Оставить заявку вы можете на сайте или позвонив нам по телефону 8(495)707-05-05. В заявке укажите вид печи, подробно опишите неисправность и время, удобное для приезда мастера.
Почему микроволновка не греет?
Неисправности микроволновок
СВЧ не крутит тарелку
Микроволновка искрит и трещит
Микроволновка работает, но не греет, что делать: причины, ремонт
Возможные причины, почему микроволновка перестала греть
Как правило, причины поломок кроются в неправильной эксплуатации.
Редко кто утруждается просмотром инструкций, что приводит к большинству поломок бытовой техники.
Существует ряд возможных простых причин, что может служить причиной, по которой микроволновка не греет еду:
- Проблемы с напряжением в сети. Микроволновая печь очень чувствительна к любым изменениям в напряжении. Изменение в 20В уже будет достаточным для того, чтобы еда не прогревалась в центре тарелки. Решение проблемы заключается в покупке блока питания.
- Перегрузка сети может понизить напряжение. Если работают несколько мощных приборов с одной розетки, то установка дополнительной розетки поможет решить проблему.
- Повреждение сетевого шнура. Проверьте шнур на повреждения, хорошим вариантом будет позвонить. Если это невозможно, то просто сгибайте его в разных местах.
- Микроволновка не будет работать, если дверца не закрывается полностью. Проверьте защёлки и по необходимости замените. В более тяжелом случае мог повредиться микропереключатель, который отвечает за блокировку двери.
А он в свою очередь стал причиной возгорания сетевого фильтра. - Неправильный режим работы. Режим для разморозки выдаёт меньшую температуру, чем обычный. Проверьте, не стоит ли он, и возможно, не потребуется разбирать прибор.
Ремонт своими руками
Возможно перед ремонтом вам пригодится устройство микроволновки.
Существует ряд поломок в микроволновке, устранить которые можно собственными руками, без привлечения квалифицированных мастеров.
Ниже приводятся меры, которые необходимо принять в зависимости от установленной причины:
- Если проблемы обусловлены работой питающей электросети, то рекомендуется установить блок бесперебойного питания, который позволит устройству всегда получать необходимое напряжение. Также, потребуется отключить от розетки, к которой подключена микроволновка, все остальные потребители, что исключит в дальнейшем возможные перегрузы сети.
- Неплотное закрывание дверцы устраняется путем механического ремонта защелок либо их полной заменой.

- Заменить перегоревший предохранитель, если причина неисправностей была именно в нем. Рекомендуется взять с собой вышедшую из строя деталь в качестве образца, чтобы приобрести максимально похожий вариант. Лучше всего не использовать модели с тонкой проволокой в конструкции, они стоят значительно дешевле, но являются менее надежными.
- Если причина заключалась в пробитом конденсаторе, то порядок действий такой же, как и с предохранителем: старая деталь демонтируется, на ее место происходит установка нового элемента.
- Дополнительное тестирование или перепайка высоковольтных диодов с целью ремонта обычно не практикуется, поскольку эти элементы имеют сложную конструкцию при незначительной цене. Если причина неполадок именно в них, то самым простым выходом является купить и впаять новую деталь.
- Если для решения проблемы необходимо полностью заменить магнетрон, то рекомендуется предварительно получить консультации у мастера, поскольку приобретаемое устройство должно точно соответствовать старому элементу как по своим габаритам, так и по ряду технических параметров (мощность, анодный ток, катодное напряжение устройства, напряжение нити накала).
В менее сложных случаях, достаточно просто самостоятельно провести замену окисленных клемм или заново припаять контакты.
Порядок проведения диагностики
В первую очередь проверьте инструкцию, в частности пункты о возможных проблемах с устройством. Если описания не нашли или бумаги не сохранились, то необходимо перейти к самостоятельной диагностике.
- Измерьте напряжение сети. Необходимо, чтобы было точно 220В.
- Обесточьте прибор, снимите верхнюю крышку и проверьте омметром выключатель на двери печи.
- Проверьте сетевой предохранитель, после визуального осмотра на черноту, используйте тестер сопротивления. После идёт проверка высоковольтного предохранителя в кожухе при помощи омметра.
- Осмотр конденсатора и диода. Проверяется с помощью омметра конденсатор. При правильной работе стрелка на омметре должна уйти в бесконечность. Если стрелка не отклоняется – обрыв контакта, небольшое сопротивление – пробит. Диод проще заменить, чтобы не морочиться с проверкой.

- Проверка конденсаторов фильтра на корпусе электромагнитной лампы и первичной обмотки трансформатора. При включении прибора должно быть 220В.
- Следом идёт проверка магнетрона. В первую очередь идёт визуальная проверка пайки контактов индукционных катушек фильтра, соединения клемм питания с конденсаторами.
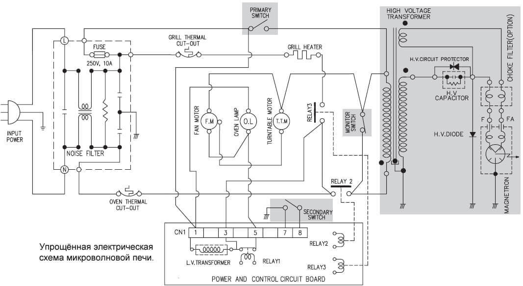
Как устроена СВЧ-печь
Чтобы намного легче было устранить неполадки, обнаруженные в вашей печи, стоит ознакомиться с её главными элементами. Волны вырабатываются благодаря магнетрону, который соединяется с камерой волноводом. Питание гарантирует конденсатор, диод. Поэтому не исключено, что микроволновка не греет, но работает.
Есть ещё один немаловажный элемент – это предохранитель, защищающий технику от неожиданных проблем. Рабочая камера – это важная часть прибора, в который кладётся еда для разогрева.
Чтобы самостоятельно справиться с ремонтом техники, когда неисправность напрямую связана с дефектом определённого элемента, необходимо знать устройство микроволновки.
Магнетрон соединён с камерой микроволновки волноводом. Магнетрон закрывается со стороны камеры куском слюды или пластиковой крышкой (это зависит от варианта выбранной техники). Поломка этой комплектующей в полной мере объясняет, почему микроволновая печь Панасоник не разогревает еду.
Для того чтобы получить высоковольтное питание, был создан специальный дополнительный элемент (умножитель). Он состоит из двух главных деталей – диода и конденсатора. Избежать непредвиденных перегрузок помогает проверенный и качественно работающий предохранитель. Кроме того, производители предусмотрели ещё один момент – особая блокировка на переключателях не даёт возможности выполнить включение печи с незакрытой дверцей.
Профессионалы позаботились о том, что каждому пользователю было безопасно и просто разогревать приготовленную еду. Но иногда по каким-то причинам современные микропереключатели повреждаются и уже не справляются со своими задачами, вследствие чего крутится диск, но микроволновка не греет.
Важно постоянно за этим следить, для того чтобы избежать дополнительных сложностей.
Конкретные команды хорошо видны на удобной панели устройства. Выбор осуществляется особыми переключателями. Цифровое управление выполняется посредством кнопок, в определённых моделях разработана простая в применении сенсорная панель.
Микроволновка перестала греть и гудит
Если СВЧ перестало исправно греть еду и при этом издаёт нехарактерный гул, то причина может быть в следующем:
- Негодность диода. Его задача направлять ток в одном направлении. Если деталь вышла из строя, то микроволновка начинает жужжать и нагрев пищи не происходит.
- Неисправность конденсатора приводит к возникновению волн и устройство гудит.
- Выход из строя магнетрона может являться причиной жужжания и гудения.
Высоковольтный диод
Проверка диода практически никогда не проводится по причине её сложности. Если предполагается, что диод стал причиной неправильной работы прибора, то проще произвести замену.
Проверка проводится либо по гулу при включении, либо по перегоранию предохранителя, либо по конденсатору, который в обычном состоянии не греется.
Высоковольтный конденсатор
Если СВЧ при включении гудит, то возможно, что это конденсатор вышел из строя. Проверить его просто: подключите омметр и следите за показаниями. Если стрелка двигается, то конденсатор работает, если нет, то он причина поломки. Учтите, замена или проверка происходит только на заряженном конденсаторе.
Магнетрон
Если все детали показывают себя работоспособными, то вероятнее всего, дело в магнетроне. Признаком неработоспособности считается гудения микроволновки при отсутствии нагрева. Проведите визуальную проверку на наличие трещин и нагара, замеряйте значения омметром. Если он был повреждён, замените на аналогичный по параметрам и размерам.
Причины неисправностей
Даже изделия таких известных фирм, как LG, Samsung, Daewoo, не могут служить вечно. Практика показывает, что техника этих , «Скарлет», «Панасоник», «Супра», «Бош», отлично работает 5–7 лет.
Затем могут возникнуть проблемы.
Например, внешне все вроде бы действует, а еда плохо разогревается или не греется совсем. При этом агрегат шумит или пищит, но подставка в то же время крутится. Пищу греет долго. Не всегда такие признаки свидетельствуют о том, что микроволновка сломалась и ее необходимо нести в ремонт. Почему она не работает, надо выяснить. Пойдем от простого к сложному.
- Случается, пользователь в спешке или по забывчивости не переключил на дисплее режим с размораживания на приготовление. В результате печь слабо греет.
- Для нормальной работы требуется напряжение в сети 220 Вольт. Падение его даже на 10–20 Вольт приведет к тому, что печка плохо греет. Используйте блок бесперебойного питания или стабилизатор напряжения.
- Иногда хозяева одновременно включают в сеть несколько электроприборов, используя тройники и удлинители. Тогда розетка не выдерживает нагрузки, техника плохо разогревает или отключается. Для каждого прибора используйте отдельный источник питания.

- Если микроволновка стала хуже греть или греет через раз, прчиной может оказаться неплотное прилегание дверцы камеры. Необходимо подрегулировать ее защелку.
Если все это не помогло, заглянем в проблему глубже и попробуем найти причину поломки. СВЧ-печь гудит, жужжит, перестает греть, но при этом работает, если из строя вышли:
- Выключатель дверцы.
- Однин из предохранителей.
- Диод или конденсатор.
- Магнетрон.
Проблема также может оказаться в инверторе, если СВЧ у вас соответствующего типа.
Некоторые неисправности по силам устранить самому, а с другими лучше справится специалист. Статистика утверждает, что в четырех из пяти случаев после самостоятельного ремонта все равно приходится обращаться в мастерскую.
Простые неисправности микроволновой печи
Существует ряд причин, почему микроволновка перестала греть и дело не в поломке деталей, например:
- Уменьшилось напряжение в сети.
На работу СВЧ печи, а также её нагрев могут влиять незначительные уменьшения в 20В. В итоге тарелка будет нагрета, а еда посередине посудины нет. Вопрос с перебоем электроэнергии решается за один день: нужно просто пойти в магазин и купить блок питания. - Сеть перегружена. Если от одной розетки работают два мощных прибора одновременно, случается перегрузка. Этот вопрос можно решить установкой ещё одной розетки.
- Вышла из строя дверца. В результате поломки защёлки, дверь неплотно закрывается и микроволновка не греет или слабо нагревает еду. Здесь можно постараться отремонтировать либо полностью заменять защёлки.
- Неправильный выбор режима. Очень часто после режима разморозки забывают переключить назад на микроволны. Разморозка не нагревает пищу до требуемой температуры, а вы уже собрались разбирать прибор.
Микроволновая печь не греет и сильно гудит
Если вы обнаружили, что микроволновая печь включается но не греет и издаёт непривычный звук (к примеру, гудит), этому есть 3 объяснения:
- в негодность пришёл диод.
Эта деталь не даёт проходить току в противоположном направлении, ток движется только в одну сторону. При выходе из строя этой детали, прибор начинает жужжать и не нагревает пищу; - пора менять конденсатор. Поломка конденсатора приводит к генерации волн и прибор гудит;
- поломка магнетрона. Дефект данной детали также может быть причиной жужжания или гудения.
Важное:
Если вы решили найти причину и отремонтировать СВЧ своими руками, то учтите, что это опасный прибор. Даже если микроволновка отключена от сети есть большая вероятность поражения током высокого напряжения, вплоть до 5 000 В. Если у вас возникают сомнения и вы не уверены в собственных знаниях, то лучше показать прибор мастеру, даже для одной лишь диагностики. Не нужно рисковать своей жизнью, ведь прибор того не стоит.
Если все же вы решили произвести ремонт микроволновой печи своими руками, то перед тем, как что-либо смотреть, выключите прибор из сети. Обязательно найдите инструкцию, где есть названия всех деталей, которые там находятся.
Сложные неисправности СВЧ: ищем истинную причину
Зачастую микроволновка работает, но не греет еду из-за того, что магнетрон вышел из строя. Следующими по списку будут конденсатор, предохранитель, также часто ломается трансформатор. Причина плохо разогретой еды может заключаться в следующем:
- поломался таймер или сам блок управления;
- по причине поломки трансформатора и других деталей;
- возможно, неисправен инвертор (это касается только инверторных микроволновок).
Более серьёзные причины
Если еда не греется, микроволновая печь не включается, перестают работать некоторые режимы, то это первые признаки наличия серьёзных неисправностей. Почему не греет микроволновка? Аппаратные комплектующие выходят вследствие:
- естественного износа;
- механических повреждений;
- неправильной эксплуатации оборудования;
- коротких замыканий.
Чтобы определить, почему микроволновка пищит, но не греет пищу, а затем устранить проблему, нужно купить соответствующие запчасти.

Предохранитель
Если диск микроволновки вращается и горит свет, но не греется еда, тогда стоит обратиться к профессионалам. Они помогут справиться с ситуацией.
Перегорел предохранитель:
- Снимите крышку.
- Перегоревшие предохранители чернеют или вздуваются.
- Проверьте сопротивление.
- Замените детали на проверенные и качественные.
Если микроволновка работает, но не греет, разберите печку, чтобы проверить работоспособность других деталей. Не исключено, что сломалась другая комплектующая, например, магнетрон.
Для того чтобы внимательно рассмотреть общее состояние предохранителей, нужно аккуратно снять крышку, убрав крепёжные детали. Свет в самой микроволновке не горит в том случае, если неисправен именно сетевой предохранитель. Если вы не заметили каких-то серьёзных внешних дефектов, тогда возьмите омметр, который проверит его состояние.
Также вы можете обратить внимание на состояние самого шнура и вилки, они должны быть качественными, без повреждений.
Это условие нужно соблюдать. Непосредственно под кожухом находится высоковольтный предохранитель, его также следует проверить. От надёжности и исправности деталей зависит безопасность применения микроволновой печи.
Проблемы с магнетроном
Если микроволновка гудит, но не греет — это может свидетельствовать о проблемах, возникающих в магнетроне. Неисправность этой части становится причиной, почему микроволновка включается, но слабо греет. Не нужно с ходу винить во всем магнетрон, это связано с тем, что у известных брендов, например, Самсунга, при работе лампы могут возникнуть проблемы с местами паек катушек фильтра.
Помните о том, что данные сложности можно достаточно просто устранить без посторонней помощи специалистов. Но в том случае, если с пайкой нет никаких проблем, потребуется обратить внимание на нить канала.
Нужно знать ещё одно правило, для того чтобы не совершить ошибку – корпус магнетрона во время работы нагревается до ста пятидесяти градусов.
Когда вы всё проверили, но еда не греется в печи, замените магнетрон. Но учтите, что новая деталь должна строго соответствовать установленным параметрам и характеристикам. Совершить замену можно как самостоятельно, так и обратившись к мастерам, которым вы доверяете решение данной проблемы.
Проблемы со слюдяной пластиной
В чем причина того, что микроволновка не разогревает еду? Если после подробной и внимательно проведённой проверки и замены деталей печь включается, но не греет блюда, потребуются дополнительная проверка слюдяной пластины.
Слюдяная пластина необходима для того, чтобы прикрыть выход волновода непосредственно в камеру микроволновки. Если на детали есть нагар, он помешает правильной работе печи. Когда появились серьёзные дефекты, могут возникнуть искры, а это, в свою очередь, приведёт к неожиданному пожару. Все ваши действия должны быть хорошо обдуманы.
Аккуратно очистите пластину от пыли, а затем осторожно, соблюдая правила, поставьте её на место.
Обратите внимание на следующий момент: если вы заметили на пластинах дырку, как можно скорее совершайте замену. Проявите ответственность, и вы предотвратите возникновение серьёзных неприятностей.Данный элемент без проблем можно купить отдельно в магазине. При этом, если была приобретена пластина от Samsung, а нужна комплектующая для Шарп, предстоит сделать отверстия для винтов.
Перегорел конденсатор или неисправен диод
В чем может быть проблема, если печь перестала греть? Проверьте с помощью тестера, возможно, сломался конденсатор или диод. При выявлении проблемы детали меняют. Берегите выбранную микроволновую печь, и тогда она будет радовать вас долгие годы исправностью и положительными характеристиками.
Если проблемы всё-таки появились, тогда необходимо срочно приступить к их устранению. Вы можете доверить работу профессионалам или при наличии опыта и соответствующих знаний самостоятельно справиться с поставленными задачами. Не стоит игнорировать инструкцию, руководство к применению приобретённой техники.
Ценные рекомендации помогут вам предотвратить неожиданную поломку устройства.
Сломан умножитель:
- Сопротивление подскажет о проблеме.
- Проверьте сам диод.
- Повреждения в магнетроне.
Часто проблемы такого рода можно устранить несложными усилиями, без посторонней помощи: достаточно просто разобраться с документацией и заменить деталь. Но здесь потребуется терпение и внимательное отношение к деталям.
Когда включили микроволновку, свет стал гореть, но всё равно техника не выполняет конкретных задач, ни в коем случае нельзя её выбрасывать, всё можно исправить. Всё дело в том, что вы нарушили определённые правила применения прибора. С данной проблемой может столкнуться любой человек. Устранение дефектов не всегда требует специальных знаний и навыков.
Если микроволновка сломалась, сначала воспользуйтесь инструкцией, так как именно в ней есть подсказки от производителя, из-за чего печь может выйти из строя. Если решение не найдено, проверьте напряжение, также отключите прибор от сети и проверьте микровыключатели.
Умножитель – это деталь, которая состоит из диода и конденсатора. Надёжность работы конденсатора можно проверить омметром. Здесь потребуются минимальные знания: увидели, что стрелка устройства отклоняется, потом указывает на бесконечность, тогда можно с полной уверенностью сказать, что с прибором всё в порядке. Но когда обнаруживаются сопротивления, значит, есть пробой. На этот момент (проблемы с конденсатором) указывает своеобразное поведение техники: она гудит, но при этом не выполняет работу. Замените диод на исправный и качественный.
Чтобы починить микроволновку, нужно проверить комплектующую омметром. Если показания равны 0,1 Ом – всё исправно, можно быть спокойным.
Делаем ремонт самостоятельно
Если вы решили делать ремонт самостоятельно, помните, что нельзя работать с прибором, включенным в сеть питания. Действуйте по инструкции и при малейшем сомнении, лучше воспользоваться услугами мастера.
При поиске поломок обращайте внимание в первую очередь на: предохранители, конденсаторы, диод, трансформатор и магнетрон.
По возможности, можно найти обучающие видео в интернете именно по вашей модели СВЧ печи. Это ускорит определение проблемы и снизит вероятность усугубления ситуации.
Почему ломается микроволновка?
- Неправильная эксплуатация. Есть посуда и столовые приборы, которые нельзя помещать в печь. Они негативно воздействуют на отдельные элементы аппаратной части, ускоряя износ.
- Случайный запуск оборудования в холостую. Микроволны теряют цель воздействия, и направляются на техническую систему.
- Естественный износ.
- Разогрев закрытых емкостей с жидкостями, сырых яиц. Когда ставят контейнер с супом, бокал с чаем, нельзя закрывать их крышкой.
Если микроволновая печь не греет, обращайтесь к мастерам из «ЛенБыта». Быстрый выезд по заявке, наличие собственного склада запчастей и ответственный подход к работе в кратчайшие сроки вернут вам работоспособную технику с гарантией. Мы работаем со многими брендами, в частности, с Vitek, Daewoo, LG, Rolsen, и многими другими.
Как есть: пирожки с фаршем | Рождество
В 1733 году журнал Gentleman’s Magazine поместил краткий обзор пирогов с мясным фаршем — урожденных рождественских пирогов, — в котором, среди прочего, отмечалось, как пуританские квакеры отклоняли их на том основании, что они являются «изобретением Алой блудницы Вавилона, Сборище суеверий, папизма, дьявола и всех его дел».
Звучит захватывающе, правда? Но в 2018 году пирогу с мясным фаршем, который является предметом сезонного выпуска «Как есть» (HTE) в этом месяце, не хватает этой трансгрессивной остроты. Мы можем покупать ошеломляющие 370 миллионов каждое Рождество, но мы также выбрасываем позорные 74 миллиона, что свидетельствует о том, насколько они безобидны сейчас. Любое покалывание волнения «прости-меня-отец-за-я-я-волчица-четыре» исчезло. Пироги с фаршем — это обычное дело. Мы принимаем их как должное.
Частично проблема заключается в том, что большинство купленных в магазине пирогов с фаршем неуклюже приправлены специями, разрушая воздушные карманы разочарования.
Но это относится к убывающей отдаче и по другим причинам. Мы обычно злоупотребляем мясным пирогом. Мы не относимся к нему с почтением. В этом может помочь HTE — сериал, определяющий, как лучше всего есть любимые блюда британцев. Счастливого Рождества!
Как известно постоянным читателям, HTE – это не столько колонка о еде, сколько исследование отказавшего двигателя в некогда роскошном седане позднего капитализма. Этот предполагаемый мурлыкающий двигатель вечного роста теперь превратился в старую дрянь, работающую на пустом месте. Бесконечная новизна — единственный способ отвлечь нас от ржавых, лязгающих неисправностей и дыма, вырывающегося из выхлопной трубы. Нигде это не так правдиво, как в пирогах с фаршем. А 13 -го -го века, их идеальная форма была создана сотни лет назад, но супермаркеты должны бесконечно изобретать их заново, чтобы разлучить пресыщенную, доверчивую публику от ее кровно заработанных.
Пирожки со льдом, пироги с терновым джином, пироги с шоколадной стружкой и/или апельсиновые и вишневые пироги, пироги с крошкой или фундуком, пироги со сливой, корицей и имбирем, пироги с клюквой: это лишь часть длинного списка «пирогов с фаршем», явно созданных в попытке продать пироги с фаршем людям, которые не любят пироги с фаршем, что порождает множество кулинарных катастроф в процессе. Точно так же, от пирожных до пахлавы, авторы рецептов журналов бесконечно нелепо переделывают мясной фарш, чтобы предложить нам новую версию этой классики. Перефразируя великого салфордского мудреца Шона Райдера, это скручивание дынь HTE, чувак.
Повторные попытки приготовить пончики или жарить во фритюре также не нужны, если мы не будем думать о нашем слюнявом павловском ответе на слова «жарить во фритюре». С точки зрения жеманства гурманов, такие броские попытки заново изобрести это колесо превосходят только тех позеров, которые настаивают на том, что в мясной фарш нужно класть настоящее мясо.
Эти аномалии с носом к хвосту с энтузиазмом говорят о стирании различия между сладким и соленым, идея такая же безрассудная, как пересечение ручьев в «Охотниках за привидениями».
Даже предполагаемые дебаты между песочным и слоеным тестом преувеличены, учитывая, что все разумные люди знают, что (несладкий) песочное тесто является правильной оболочкой.
Коммерческий или самодельный? Свежеиспеченные пироги с фаршем. Фотография: Keith Morris/Alamy Stock Photo HTE старается поддерживать спокойное отношение к приготовлению и выпечке собственного… чего угодно. Это не всегда возможно или предпочтительно. Но когда шеф-повар Джереми Ли сказал The Independent в 2011 году, что коммерческие пироги с фаршем «вообще невыразимы», он был прав. Пункт, подтвержденный в этом году, Который? исследование рождественских продуктов, которое показало, что, хотя в необработанном виде есть бриллианты (пироги Asda Extra Special с мясным фаршем заняли первое место), общий стандарт пирогов находится на слайде.
Стоимость сливочного масла и сухофруктов растет, а производители все больше экономят на этих звездных ингредиентах. Если вас еще не соблазнила маловероятная связь Исландии с Selfridges без пальм, домашняя выпечка пирогов с фаршем — мудрый шаг. Но поосторожнее с этими специями. Пирог с фаршем не должен пахнуть, как парфюмерный прилавок в Boots.
Если вы не можете разогреть пирог с фаршем, лучше его не есть. HTE настолько непреклонна в этом вопросе, что на этот раз даже выдаст лицензию на использование микроволновой печи. Он разогреет ваш пирог до термоядерной температуры, что потребует от ниндзя самодисциплины, так как вы позволите ему остыть до съедобного состояния в течение трех часов (время приблизительное, отдельные приборы могут различаться). Но, по крайней мере, вам не придется есть холодную, тяжелую шайбу пирога с сухим и ломким тестом, ломкой начинкой, а его ароматы и вкусы столь же слабыми, как шансы на то, что сделка Терезы Мэй по Brexit пройдет в парламенте.
Тепло преображает даже самый полусырой пирог с фаршем: масло и жир тают, пектин размягчается, высвобождаются ароматы. Все это приобретает почти сверхъестественную легкость, как будто пирог с фаршем поднимается вверх горячими дуновениями печи.
Аккомпанемент Есть что-то волшебное в контрасте горячего пирога с фаршем и холодных сливок на одной тарелке. Фотография: John Shepherd/Getty ImagesКак и у Кендрика Ламара или Скотта Уокера, отличный пирог с фаршем говорит сам за себя. Он стоит один. Он не нуждается ни в приукрашивании, ни в аккомпанементе, ни в гостевых куплетах на большие поп-хиты. Но есть много посредственных пирогов с фаршем, которые могут стать однообразными на Рождество и которые нуждаются в небольшой смазке или, ради разнообразия, в добавлении вкуса. Но действуйте осторожно.
Хорошее сопровождение Cr eme fraiche Невероятно легкий крем-фреш с молочным привкусом — самый элегантный охлаждающий контрапункт горячего мясного пирога.
Одинарный или двойной крем Либо смазать колеса, так сказать.
Заварной крем Есть что-то волшебное в контрасте горячего пирога с фаршем и холодных сливок на одной тарелке. Заварной крем, однако, особенно в первые периоды Рождества, до того, как наступит подагра, может сделать пирог с фаршем более смелым, липким и потакающим своим желаниям.
Плохое сопровождениеСливочный крем «Это лучше, чем ничего», — говорит твоя мама. Она ошибается. Эта искусственная мерзость разрушает все, с чем соприкасается.
Ром или коньячное масло Алкоголь действует в пище только тогда, когда он сначала готовится, модулируя вкус напитка. Алкоголь-сырец — это агрессивное, бессвязное присутствие в любом десерте, и особенно в густом, сливочном контексте рома и коньячных масел (смеси высшего качества, часто сделанные с дешевыми брендами), он создает поистине тошнотворное ощущение во рту.
Мороженое Звучит хорошо, в теории, но в отличие от сливок (которые мы инстинктивно и разумно добавляем), вы всегда будете добавлять слишком много мороженого, пока все не станет слишком приторным и слишком сытным.
Натуральный йогурт Рождество. Побалуй себя. Держите этого слишком терпкого нарушителя подальше от ваших пирогов с фаршем.
Взбитые сливки Сливки в их самом экстремальном проявлении и доказательство того, что хороших вещей действительно может быть слишком много.
Сыр с плесенью Ломтик стилтона с мясным пирогом HTE, говорите? Ясно, что это придумали озорные интернет-тролли, чтобы обмануть невинных читателей. Это навсегда испортит вам пироги с фаршем.
Сервировка и этикет Бренди и пироги с фаршем у костра… Фото: Адам Голт/Getty Images Пирог с фаршем — сезонная закуска на случай чрезвычайной ситуации, которую часто подают специально, когда заходят друзья, соседи и родственники.
уморительной сатирической комедии и/или известного эксперта по этикету «Уильям Хэнсон» (предупреждение о триггере: ссылки на Daily Mail), каждому гостю нужно дать салфетку, чтобы ловить свои крохи, потому что, конечно, ничто не говорит: «Расслабьтесь, приведите себя в порядок». домой», как будто кто-то пассивно-агрессивно предупреждает вас, чтобы вы не уронили пирог с фаршем на ковер. Если вы настолько напряжены, раздавайте тарелки. А еще лучше использовать традиционную подачу, когда каждый ест свои пироги с фаршем, прижимая к подбородку маленькую чашку из фольги (полезно, чтобы ловить любые крупные куски мусора, но не слишком чопорно), а затем наденьте пылесос позже. Что такое несколько крошек между товарищами?
Такая неформальность чужда Хэнсону. Например, вместо того, чтобы отказаться от второго пирога с фаршем, он советует взять его домой в салфетке, чтобы не обидеть хозяина. Если вы столкнетесь с кем-то, кого легко обидеть, лучше отказаться от этого пирога, стиснуть зубы и вычеркнуть этого человека из вашего круга общения.
У них явно есть проблемы, на решение которых уйдет целая жизнь дорогостоящего лечения.
Хэнсон также советует всегда есть пирог с фаршем левой рукой. Не из-за какого-то древнего рыцарского кодекса (что-то вроде постоянной готовности защитить себя от воронов-убийц или драконов, воображает HTE), а для того, чтобы можно было пожимать руки людям. Ключевой совет HTE: не задерживайтесь там, где люди ожидают, что вы отдадите предпочтение вежливому общению, а не съедению пирога.
Конечно, если вы будете подавать пирог со сливками, вам потребуются тарелка и вилка. Для большего объема жидкости (например, заварного крема) нужна миска и ложка. Не пытайтесь взять его в руки. Так лежит безумие.
Когда Когда заходят нежданные гости (ужас!). В те моменты голодания в середине дня между Рождеством и Новым годом, когда ваше ежедневное потребление калорий стабилизировалось на уровне 6000. В качестве утешения, когда вы приходите домой с работы в любой момент декабря, промокшие, замерзшие и совершенно несчастные, отчаянно нуждающиеся в небольшом кусочке сахара и заботе о себе.
В тот благословенный день, когда, протащив последнюю неделю по Британии, в том числе три дня высокого психоэмоционального напряжения у родственников, ты можешь рухнуть на собственный диван и по-настоящему начать радоваться Рождеству. Единственная плохая новость? Завтра ты снова на работе.
Шампанское и пироги с фаршем — мгновенная изжога; пироги с шерри и мясным фаршем слишком приторны; но хороший бренди — прекрасный фон для всех этих богатых фруктов и специй. Но так ли необходим алкоголь? Есть что-то особенное в хорошей кружке крепкого чая, ее танины очищают рот, как жесткая щетка на террасе, что — особенно когда вы запойны с тремя или четырьмя пирогами — является наиболее эффективным способом перезагрузить ваш мозг. вкус к следующему нападению.
Итак, пирожки, как вы едите свои?
Картофель с гребешком | Дай мне духовку
Перейти к рецепту 929 комментариев »
Этот пост может содержать партнерские ссылки. Пожалуйста, ознакомьтесь с моей политикой раскрытия информации.
Мой любимый сырный, сливочный, чесночный, всегда вкусный рецепт запеченного картофеля.
Кто-нибудь еще не составил меню на пасхальное воскресенье в ближайшие выходные?
Что ж, хорошие новости: 1) ты не один и 2) я все понял!
В нашем пасхальном разделе блога есть всевозможные вкусные рецепты, которые наверняка понравятся толпе. Если вы чувствуете атмосферу позднего завтрака, здесь есть все: от моих любимых часовых булочек с корицей до лучшего в мире кофейного пирога со сметаной, классической запеканки для завтрака, почти всех способов приготовления яиц, мимозы и многого другого. Или, если вы больше склоняетесь к пасхальному ужину , любимый салат нашей семьи, классические фаршированные яйца, эта идеально прожаренная брюссельская капуста, легкий фруктовый салат, эти быстрые 1-часовые мягкие и маслянистые булочки к обеду могут вызвать у вас имя. Конечно, морковный пирог (или этот веганский морковный пирог без глютена) также обязателен здесь на каждую Пасху.
Но что еще не подлежит обсуждению для меня каждую Пасху, Рождество, День Благодарения и — давайте будем честными — каждую ночь в году, когда мне хочется какой-нибудь сливочной, чесночной, сырной утешительной еды?
Картофель с гребешком. ♡
В частности, эти картофеля с гребешком (технически это картофель в панировке). По моему скромному мнению, они просто лучшие. И за годы, прошедшие с тех пор, как я впервые опубликовал этот рецепт здесь, в блоге, тысячи из вас также попробовали его и согласились! Итак, сегодня я подумал, что верну этот рецепт на вершину стека для тех из вас, кто может быть новичком в блоге и ищет проверенный и настоящий рецепт, чтобы приготовить его на этих выходных. Как человек, который делал эти десятки и десятки раз, ручаюсь — не подведут.
Рецепт картофеля с гребешком | 1-минутное видео
Картофель с гребешком Ингредиенты:
Ингредиенты для этого классического рецепта запеченного картофеля довольно просты.
Вам понадобится:
- Юконский золотой картофель: Я предпочитаю его красновато-коричневому из-за его приятной кремовой текстуры и маслянистого вкуса. Обязательно нарежьте их равномерно — толщиной около 1/4 дюйма — чтобы они приготовились равномерно.
- Плавленый сыр: Для этого важно иметь хороший плавленый сыр. Я всегда предпочитал хороший острый чеддер (не выдержанный, так как он тоже не тает). Но я также приготовил их с моцареллой, гаудой, фонтиной и грюйером, и все они были восхитительны. Так что не стесняйтесь выбирать свой любимый или использовать микс! Кроме того, обязательно нужно добавить немного свеженатертого пармезана.
- Нарезанный лук: Для дополнительного вкуса. Я всегда готовлю лук в соусе, а потом процеживаю и добавляю к среднему слою картофеля, чтобы на верхнем слое не было кучи луковых ломтиков.
- Чеснок: Если вы спросите меня, чем больше, тем лучше. В рецепте указано 4 зубчика, но раньше я использовала до 8.
🙂 - Свежий тимьян: Я всегда использовал свежий тимьян в качестве основной приправы для гребешка, но вместо него можно использовать чайную ложку сушеного тимьяна. Или любые другие любимые свежие травы или сушеные смеси приправ! (Я иногда люблю добавлять чайную ложку приправы Cajun в свой соус — это вкусно.)
- Сливочный соус: Вместо густых сливок мой соус для этого рецепта требует ру с маслом и мукой, цельным молоком и куриным (или овощным) бульоном.
Как приготовить запеченный картофель:
Чтобы приготовить жареный картофель по этому рецепту, просто…
- Приготовить сливочный соус . Обжарьте лук и чеснок на сливочном масле до мягкости. Затем добавьте муку, чтобы получилась ру, и помогите соусу загустеть, затем добавьте бульон, молоко, соль, перец и тимьян. Вы хотите приготовить соус, пока он не просто доходит до кипения. (Не давайте ему кипеть, иначе он может «сломаться» и стать водянистым после выпечки.
) Затем снимите его с огня, пока вы не будете готовы использовать его. - Картофель слоями. Выложите половину нарезанного картофеля ровным слоем на дно формы. Равномерно полить половиной сливочного соуса. (Обычно я процеживаю весь лук и добавляю его сюда же.) Затем равномерно посыпать 1 стаканом тертого сыра чеддер и всем сыром пармезан. Равномерно выложите оставшийся нарезанный картофель, вторую половину сливочного соуса и оставшуюся 1 чашку сыра чеддер.
- Выпечка: Слегка накройте форму алюминиевой фольгой и запекайте в течение 30-35 минут или пока соус не станет пузыриться по краям. Снимите фольгу и запекайте без крышки в течение 25-30 минут, или пока картофель не приготовится, а сыр сверху не станет красивым и золотистым. (Если сыр сверху становится слишком коричневым, просто снова слегка накройте сверху листом фольги, пока картофель не будет готов к употреблению.)
- Круто. Переместите форму на решетку для охлаждения и посыпьте оставшейся чайной ложкой тимьяна и пармезаном.

- Сервировка. Эту запеканку лучше всего готовить прямо из духовки, так что приступайте к ней, пока она теплая!
Возможные варианты рецепта:
Есть много вкусных вариантов приготовления этого домашнего картофеля с гребешком, если хотите. Например, не стесняйтесь…
- Добавить бекон или ветчину: Ваш бекон или ветчина, нарезанные кубиками, будут здесь прекрасным дополнением! (Или пойти за золотом и сделать зубчатый картофель с ветчиной и бекон!)
- Добавьте зелень: Свежая капуста или молодой шпинат также будут вкусными. Просто размешайте большую горсть соуса перед тем, как выкладывать картофель слоями.
- Добавить соус песто: Чтобы придать пикантный вкус, добавьте в соус 1/4 стакана соуса песто с базиликом.
- Используйте половину сладкого картофеля: Мне также нравится готовить версию этого блюда с половиной юконского золота и половиной сладкого картофеля.
Комбинация сладкого и соленого — отличный выбор. - Используйте другой сыр: Моцарелла, гауда, фонтина или грюйер также будут вкусны вместо острого чеддера. Или вы также можете посыпать в запеканку немного раскрошенного/нарезанного кубиками сыра бри, козьего сыра или феты.
- Используйте сливки: Не стесняйтесь добавлять жирные сливки на половину молока, чтобы блюдо было еще более сливочным.
- Сделайте его безглютеновым: Просто используйте безглютеновую универсальную мучную смесь (вместо стандартной муки AP). Или взбейте 2 столовые ложки кукурузного крахмала в холодном молоке, прежде чем добавлять его в соус.
Инструкции по предварительной подготовке:
На протяжении многих лет многие из вас спрашивали, можно ли приготовить этот рецепт заранее, и ответ был утвердительным! Чтобы приготовить гребешок, просто запеките гребешок и дайте ему полностью остыть до комнатной температуры.
Затем плотно накройте и поставьте в холодильник на 3 дня. И в тот день, когда вы будете готовы их подавать, запекайте сковороду, накрытую фольгой, при температуре 350 ° в течение 30 минут или пока картофель не прогреется.
Другие картофельные рецепты:
Если вам нравится этот рецепт, обязательно ознакомьтесь с другими моими любимыми блюдами из картофеля, в том числе:
- Лучшее картофельное пюре
- Лучший запеченный картофель
- Картофельный суп
Всем приятного просмотра!
РаспечататьКартофель с гребешком
★★★★★ 4.7 из 379 отзывов
- Время подготовки: 15 минут
- Время приготовления: 55 минут
- Общее время: 80 минут
- Выход: 10-12 порций 1x
color h4-transform.text-transform»> Описание
Мой любимый рецепт чесночного, сырного, идеального гребешка из картофеля.
- 3 столовые ложки сливочного масла
- 1 небольшая белая или желтая луковица, очищенная и тонко нарезанная
- 4 больших зубчика чеснока, измельченных
- 1/4 стакана универсальной муки
- 1 чашка куриного или овощного бульона
- 2 чашки цельного молока (или пополам)
- 1 1/2 чайной ложки кошерной соли
- 1/2 чайной ложки черного перца
- 2 чайные ложки свежих листьев тимьяна, разделенных
- Картофель Yukon Gold весом 4 фунта, нарезанный кружочками размером 1/8 дюйма
- 2 стакана свеженатертого острого сыра чеддер*, разделенные на части (можно добавить больше сыра, если хотите)
- 1/2 стакана свеженатертого сыра пармезан плюс дополнительно для подачи на
border-color secondary-color.background-color»/>
- Приготовительная печь и форма для выпечки: Разогрейте духовку до 400°F. Смажьте форму для выпечки размером 9 x 13 дюймов кулинарным спреем и отложите ее в сторону.
- Обжарить лук и чеснок. Растопить сливочное масло в большой сковороде на среднем огне. Добавить лук и жарить 4-5 минут, пока он не станет мягким и прозрачным. Добавьте чеснок и жарьте еще 1-2 минуты до появления аромата. Добавьте муку, пока она не станет однородной, и готовьте еще 1 минуту.
- Вскипятите соус. Постепенно влейте бульон и взбейте до однородности. Добавьте молоко, соль, перец и 1 чайную ложку тимьяна и взбейте до однородности. Продолжайте готовить еще 1-2 минуты, пока соус не начнет едва кипеть по краям сковороды и не загустеет. (Не доводите до кипения.) Затем снимите с огня и отставьте в сторону.
- Картофель слоями. Выложите половину нарезанного картофеля ровным слоем на дно формы.
Равномерно полить половиной сливочного соуса. (Обычно я процеживаю весь лук и добавляю его сюда же.) Затем равномерно посыпьте 1 чашкой тертого сыра чеддер и весь сыр пармезан. Равномерно выложите оставшийся нарезанный картофель, вторую половину сливочного соуса и оставшуюся 1 чашку сыра чеддер. - Выпечка: Накройте форму алюминиевой фольгой и запекайте 30 минут. Соус должен быть красивым и пузыриться по краям. Затем снимите фольгу и запекайте без крышки 25–30 минут или до готовности картофеля.
- Круто. Переместите форму на решетку для охлаждения и посыпьте оставшейся чайной ложкой тимьяна и дополнительным количеством пармезана.
- Сервировка. Подавать теплым.
Примечания
Тертый сыр: Как всегда, когда плавите тертый сыр в рецепте, лучше всего натереть сыр самостоятельно непосредственно перед добавлением его в рецепт.




Ремонт такой неисправности предполагает замену слюдяной пластины.
А он в свою очередь стал причиной возгорания сетевого фильтра.
В менее сложных случаях, достаточно просто самостоятельно провести замену окисленных клемм или заново припаять контакты.
Важно постоянно за этим следить, для того чтобы избежать дополнительных сложностей.
На работу СВЧ печи, а также её нагрев могут влиять незначительные уменьшения в 20В. В итоге тарелка будет нагрета, а еда посередине посудины нет. Вопрос с перебоем электроэнергии решается за один день: нужно просто пойти в магазин и купить блок питания.
Эта деталь не даёт проходить току в противоположном направлении, ток движется только в одну сторону. При выходе из строя этой детали, прибор начинает жужжать и не нагревает пищу;
🙂
) Затем снимите его с огня, пока вы не будете готовы использовать его.
Комбинация сладкого и соленого — отличный выбор.
Равномерно полить половиной сливочного соуса. (Обычно я процеживаю весь лук и добавляю его сюда же.) Затем равномерно посыпьте 1 чашкой тертого сыра чеддер и весь сыр пармезан. Равномерно выложите оставшийся нарезанный картофель, вторую половину сливочного соуса и оставшуюся 1 чашку сыра чеддер.