Чем отличаются электронные часы от кварцевых и от механических часов
ЭЛЕКТРОННЫЕ ЧАСЫ
Как работают электронные часы
Если говорить о механизме, который «отсчитывает время» в электронных часах, то он ничем не отличается от того, что установлен в обычных кварцевых приборах. Разнится лишь способ передачи информации на циферблат. В кварцевый механизм встроена микросхема, которая обрабатывает сигналы генератора и выводит ее на дисплей. Благодаря такому принципу работы электронные часы нашли применение в различных сферах нашей жизни: они интегрированы в бытовые приборы (телевизоры, микроволновые и электрические духовки, стиральные машины), компьютеры, системы управления автомобилями, сотовые телефоны, видеокамеры. Но самыми близкими к нам физически, а также самыми удобными для просмотра текущего времени остаются наручные электронные часы.
Многофункциональные электронные часы
Кроме относительно невысокой цены и точности хода, электронные часы привлекают потребителя множеством дополнительных функций.
Кроме времени, электронные часы показывают текущую дату. В такие часы может быть встроен калькулятор, миниатюрная фотокамера, будильник, датчик температуры и влажности. Во многих моделях электронных часов совмещаются два способа вывода информации – жидкокристаллический дисплей и традиционный стрелочный циферблат.
Известные производители, продукцию которых предлагает наш интернет магазин электронных наручных часов, выпускают приборы с функциями, ориентированными на определенный круг потребителей. Например, для любителей рыбалки и других видов отдыха на природе разработаны модели с барометром, а для спортсменов – часы с измерителем пульса и шагомером. Многофункциональность электронных часов – самое главное их преимущество перед другими моделями.
Описание электронных часов
Прежде чем приобретать приборы, следует внимательно прочитать описание электронных часов, сопровождающее на страницах нашего интернет магазина каждое изображение товара. Важно уделить внимание поиску часов не только в ориентире на их основные функции, но и на те параметры, которые определяют весь процесс эксплуатации часов, в том числе и замену в них элементов питания, если таковые присутствуют.
Источником питания для наручных электронных часов служит батарейка, замена которой может быть связана с определенными неудобствами. В некачественных и потому дешевых устройствах, которые в нашем интернет магазине электронных наручных и других видов часов Вам не найти, батарейка часто находится внутри неразборного пластикового корпуса. И достать ее оттуда попросту невозможно – вместо замены батарейки придется покупать новые часы. В более дорогих моделях источник питания может быть установлен так, что его расположение позволит извлечь батарейку для замены.
Электронные часы в Москве с доставкой по России можно купить прямо сейчас
Красивые стильные электронные часы ждут покупателей из Москвы и регионов России на страницах нашего сайта. Для удобства выбора все предлагаемые в продажу наручные электронные часы, систематизированы в каталог. По фото часы электронные выбрать себе или в подарок не составит труда любому пользователю интернета.
У нас можно купить мужские электронные часы или часы наручные женские электронные всех известных производителей этих приборов, работающих в сфере создания хронографов долгие годы, и имеющих репутацию престижных торговых марок.![]()
И если Вы уже выбираете наши электронные часы, где купить эти приборы – вопрос решенный.
КВАРЦЕВЫЕ ЧАСЫ
Когда появились первые кварцевые часы, как устроены эти приборы
Около сорока лет тому назад в серийной продаже впервые появились часы с принципиально новым типом механизма – кварцевым. Принцип действия их часового механизма базируется на пьезоэлектрических свойствах кристаллов кварца. Под воздействием электричества кварцевый кристалл генерирует колебания, имеющие высокую временную стабильность. Механизм любых кварцевых часов составлен из батарейки или аккумулятора, которые служат источником питания, электронного генератора (включает в себя кристалл кварца), усилителя колебаний и синхронного электродвигателя, который передает колебания генератора на стрелки прибора. Поэтому, на вопрос, как устроены кварцевые часы, можно ответить, что достаточно несложно.
Точность хода кварцевых часов – как главное преимущество механизма перед другими устройствами
Благодаря стабильности колебаний, которые генерирует кварцевый механизм, часы показывают высокую точность хода.
Точность обычных моделей – до 20 сек. в месяц, точность дорогостоящих экземпляров может достигать 5 секунд в год.
В массовом производстве кварцевые часы гораздо дешевле, чем механические. В силу особенностей механизма многие детали кварцевых приборов изготавливают не из металла, а из менее дорогого, но более современного − пластика. Сборка часов выполняется автоматически и не требует затрат дорогостоящего ручного труда, сводит к минимуму количество ошибок в процессе создания этих устройств. В кварцевых часах нет хрупких узлов и деталей, чувствительных к ударам. Поэтому удары, возникающие в процессе обычной эксплуатации, не выводят часы из строя. Это основные отличия данного вида приборов от механических часов.
Срок службы кварцевых часов и замена батарейки
Недостатком всех кварцевых часов можно считать периодическую замену батарейки (приблизительно раз в два года). Но после изобретения систем с автоподзарядкой и эта проблема становится неактуальной. В таких приборах батарейка заменена на аккумулятор, который (в зависимости от системы) подзаряжается от солнечной энергии или путем трансформации кинетической энергии движений руки.
Еще одна проблема рассматриваемых нами устройств для отсчета точного времени – низкая ремонтопригодность. И хотя сам срок службы кварцевых часов продолжительный, но неожиданно вышедший из строя элемент питания можно заменить лишь на аналогичную заводскую деталь. Если такие детали уже сняты с производства, то придется менять весь механизм (или покупать новые часы). Вот почему приобретение приборов важно осуществить там, где качество продаваемого товара гарантировано теми, кто их реализует.
Часы кварцевые наручные: женские и мужские модели, разнообразные марки, каталог – все только самое лучшее в нашем интернет магазине
На наш взгляд недостаток принципа продления работы кварцевых часов компенсирован его явными достоинствами, что позволяет многим покупателям, попавшим на страницы интернет магазина и ознакомившимся с каталогом кварцевых часов, приобрести прибор по душе. Во многом выбор делается на основе предпочтения той или иной марки кварцевых часов. Однако наручные часы, а также настенные и напольные, легко приобрести и по фото, ориентируясь на детальное текстовое описание, сопровождающее каждое изображение.
Наши менеджеры с удовольствием дадут совет о том, какие кварцевые мужские часы купить для себя или в подарок. Не лишними будут рекомендации по выбору и приобретению приборов, предназначенных для представительниц прекрасного пола. Наши женские кварцевые часы купить можно также по предварительной консультации с менеджерами.
Цена на модели из нашего каталога приятно удивит всех, кто посетил интернет магазин в поисках лучших кварцевых часов.
МЕХАНИЧЕСКИЕ ЧАСЫ
Давно-давно, когда изобрели часы механические…
Когда изобрели часы механические? Прообраз этих современных часов был создан китайскими мастерами более тысячи двухсот лет тому назад. Эти приборы не отличались высокой точностью хода, так как были оснащены жидкостным пусковым механизмом. Намного позже придумали часы с более совершенными пусковыми механизмами: анкерным, штыревым, рычажным, дуплексным, гравитационным и прочие.
Механизмы современных приборов приводятся в движение за счет перемещения гирь под воздействием гравитации (напольные, настенные, башенные часы) или используют энергию раскручивающейся пружины (настольные и наручные часы).
Как выбрать механические часы. Недостатки и достоинства этих приборов
По сравнению с кварцевыми и электронными часами «механика» обладает рядом недостатков. Во-первых – это точность хода. За сутки у рассматриваемых нами видов часов, при работе, набегает ошибка до 7 секунд. Сильный удар или сотрясение прибора могут вывести из строя механизм. Механические часы теряют точность из-за резких перепадов температуры, а при недостаточной герметичности корпуса – и из-за перепадов влажности.
Во-вторых, многие модели нуждаются в регулярной подзаводке. Поэтому, думая над вопросом, как выбирать механические часы, помните о том, что можно отдать предпочтение часам с автозаводом или выбрать классический вариант приборов, работающих с помощью механизмов – т.е. с ручным заводом. В зависимости от модели и типа механизма, одного завода хватает на период от двух суток до пары десятков дней.
«Механика» достаточно дорога в изготовлении, однако люди, которые задаются вопросом, как выбрать механические часы, знают об особом престиже именно этих приборов.
Большинство деталей механизма постоянно испытывает высокие рабочие нагрузки, поэтому должны быть изготовлены только из высококачественного металла. Именно такие часы мы и предлагаем купить онлайн.
Купить механические часы в Москве с доставкой по России
И все же, на сегодняшний момент, механические приборы стойко выдерживают конкуренцию с более совершенными кварцевыми и электронными. Единственный вопрос, который волнует их поклонников – где купить часы наручные механические, качественные, фирменные, с гарантией?
В чем причина такого «долгожительства» и популярности этой разновидности приборов? Механические часы полностью автономны – им не нужна замена элементов, обеспечивающих их работоспособность (батареек). Привлекает потребителя и высокая ремонтопригодность таких часов. Ведь практически любая деталь механизма, при необходимости, может быть изготовлена и заменена в условиях обычной часовой мастерской.
В последнее время механические приборы приобрели имидж статусной вещи – многие известные производители постоянно представляют в своих коллекциях дорогие и изысканные модели механических часов.
Да и приобрести их стало проще простого, купить механические часы (в Москве с доставкой по России) можно в нашем интернет магазине онлайн.
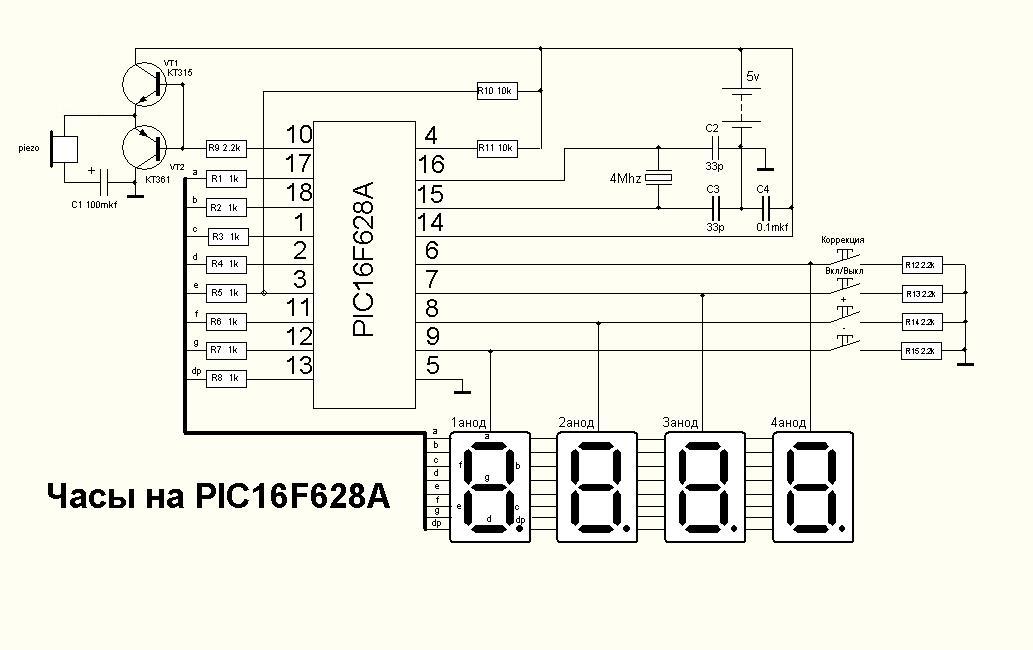
устройство, принцип работы, виды и типы
Из чего состоят часы? Наверняка, каждый человек задавался таким вопросом. В этой статье мы расскажем, про виды, устройство и принцип работы механизмов в наручных часах. Часовой механизм — это сердце устройства, питающее его энергией. Система работает, благодаря нему: движутся стрелки на циферблате, звонит будильник, функционирует календарь и хронограф.
На данный момент существуют два основных вида часовых механизмов: с использованием энергии спирали (механические) и электрических импульсов (кварцевые). Выпускаются и комбинированные варианты. Стоит отметить, что электронные часы работают за счет кварцевого механизма, разница только в реализации передачи энергии. Далее подробнее рассмотрим устройство и принципы работы обоих видов.
Устройство и принцип работы механизма с балансом
Принцип функционирования двух типов устройств, так же, как и количество деталей, кардинально отличается.
Рассмотрим полностью механическое устройство.
Ниже приведена схема, как построен и из каких элементов состоит калибр. Если точней, то под калибром в часовом деле понимается размер механизма, особенности его месторасположения и конфигурацию составляющих его деталей.
Калибры включают в название буквы и цифры, в которых часто зашифрованы изготовитель и функциональные особенности. Диаметр механизма измеряется в миллиметрах или в линиях (1 линия — 2.255мм). Важный компонент механизма — камни. До 1902 года использовались настоящие драгоценные рубины, сейчас же искусственные. Они служат одной цели – уменьшить трение между деталями, возникающее в процессе работы. С увеличением функций механизма, возрастает количество камней.
Источник энергии в механических часах — спиральная пружина, находящаяся внутри заводного барабана. Когда часы заводят, она закручивается, и при раскручивании передает импульс на барабан, который, в ходе вращения, заставляет работать весь механизм.
По способу взвода заводной пружины можно понять тип разновидности механизма.
В часах с ручным подзаводом пружина закручивается и накапливает кинетическую энергию с помощью вращения заводной головки. Это позволяет часам работать определенное время, в среднем, от 24 до 72 часов.
По причине того, что пружина в «механике» раскручиваться и отдает энергию неравномерно, это снижает точность хода (от 5 до 30 секунд в сутки). На корректность показаний часов влияют и другие факторы: положение часов, температура, степень износа деталей, удары и встряски процессе использования и др.
Для удобства эксплуатации был разработан автоматический подзавод. Альтернативой ручному постоянному заводу стал ротор, который под действием движений руки вращается вокруг центральной оси и через систему шестерней заводит пружину. Современные модели комплектуются особо чувствительными механизмами, и достаточно незначительных движений запястья, чтобы энергии для работы часов хватало каждый день без сбоев. Когда же длительное время часы носить не предполагается, их можно положить в тайммувер, специальную шкатулку для автоматического подзавода.
Особой популярностью тайммувер пользуется у коллекционеров.
Устройство и принцип работы кварцевого механизма
Кварц появился относительно недавно с развитием электричества, но сразу массовым завоевал рынок за счет исключительной точности и удобства использования.
Как функционирует кварцевый механизм? Принцип его работы основан на преобразовании электрической энергии в кинетическую.
Кварцевый механизм состоит из двух составных частей. Первая, генератор, служит для выработки электрических колебаний, которые стабилизируются кварцевым кристаллом. Генератор вырабатывает 32768 колебаний в секунду. Это около 10000 раз больше, чем число колебаний баланса (пружины) в механических часах. Вторая часть схемы — делитель. Он преобразует колебания от генератора в импульсы с частотой 1 герц. которые далее передаются на обмотку шагового электродвигателя.
Двигатель состоит из статора, неподвижно закрепленной катушки с обмоткой и ротора (постоянного магнита на оси).
Одним из самых популярных кварцевых механизмов является японская Miyota. Японцы сделали Мийоту эталоном цены и качества во всем мире.
Кварцевый механизм для настенных часов
Принципиально механизм для настенных часов не отличается от экземпляра для наручных. Разница в размере и компоновки составляющих.
Возьмем, к примеру, кварцевые механизмы марки Grand Time для настенных часов. Они используются повсеместно по всей России. Кому и куда их можно применить? Компаниям для изготовления корпоративных подарков, любителям и часовые мастерские для ремонта. Идеальное соотношение цены-качества.
← Как выбрать золотые, серебряные часы в подарок?
|
Лёд против Боевых пловцов.
Как работают кварцевые часы? – Mondaine United Kingdom
Кварц произвел революцию в часовой индустрии, перевернув ее с ног на голову всего за несколько лет во время Кварцевой революции. В то время как раньше часы работали на крошечной и сложной системе шестеренок, кварц представил совершенно новый и более точный способ измерения времени. Узнайте больше о том, как работают кварцевые часы от Mondaine, производителя швейцарских часов.
Что такое кварцевые часы?
Кварцевые часы или часы — это часы, в которых используется кварцевый кристалл, батарея и электронный генератор. Любые часы, в механизме которых используется кварц, классифицируются как кварцевые часы. Эта система полностью отличается от механических или автоматических часов и считается одной из самых точных.
Кварцевые наручные часы бывают самых разных форм и дизайнов, кварцевые часы также доступны в виде отдельно стоящих или настенных часов. С тех пор, как эта технология была впервые изобретена, кварцевые часы доминировали на рынке и считаются лучшим механизмом хронометража для любых часов высокого класса.![]()
Что такое «Кварцевый механизм»?
Термин «кварцевый механизм» относится к тому, как кварц и батарея заставляют секундную стрелку «тикать», отмечая одну секунду за раз. Это в отличие от автоматического движения и механического.
Кварцевый механизм: Секундная стрелка «тикает» в одну секунду, останавливается и тикает в следующую секунду. Он питается от кварцевого кристалла и батарейки.
Механический механизм: Подержанная стрелка движется плавно и непрерывно, без тикания. Он приводится в действие заводом часов.
Автоматический механизм: Использует кинетическую энергию движений запястья для привода часового механизма.
До кварца
Чтобы понять, как работают кварцевые часы, важно понять, как часы работали раньше, и, следовательно, совершенно новую функцию, которую кварц привнес на стол.
В течение сотен лет люди использовали солнце для приблизительного определения времени.
Для многих это было так же просто, как встать, когда взошло солнце, и лечь спать, когда оно зашло. Когда миры людей были меньше и они меньше взаимодействовали с людьми по всему миру и даже по всей стране, этого было достаточно.
Многие люди использовали солнечные часы, которые могли быть такими же простыми, как воткнутая в землю палка, для отслеживания, но они были бесполезны без солнечного света (что часто бывает в Великобритании!), и не очень точны.
Самые ранние известные часы относятся к 3 веку до н.э. в Древней Греции, но только в 15 веке н.э. впервые появились точные часы и бытовые часы.
Маятниковые часы
Маятниковые часы были первой формой точного хронометража, которая получила широкое распространение. Итальянский эрудит по имени Галилео Галилей изучал, как качается маятник, и обнаружил, что его можно использовать для регулировки времени в часах. Эту идею подхватил голландский ученый по имени Христиан Гюйгенс, и в 1656 году он спроектировал и построил первые в мире маятниковые часы.
В 1670 году в Англии этим занялся часовщик по имени Уильям Клемент, который сделал первые дедушкины часы.
Маятниковые часы работали благодаря физике качания маятника. Груз на конце маятника регулирует его качание. Когда он достигает своей наивысшей точки, он имеет много потенциальной энергии. Затем из-за гравитации потенциальная энергия переходит в кинетическую энергию (движение). Затем вес достигает другой стороны, и процесс повторяется. Энергия многократно передается, чтобы поддерживать регулярный ритм. Маятник можно сконструировать таким образом, чтобы он качался в точное время, чтобы отмечать секунды.
Этот механизм, при котором энергия непрерывно передается между потенциальной и кинетической, называется «гармоническим осциллятором». Осцилляторы необходимы для всех форм хронометража, включая кварцевые часы.
Осцилляторы вызывают повторяющееся движение энергии вперед и назад. Другими словами, регулируемое и повторяющееся движение, подобное раскачиванию маятника.
Таким образом, их предсказуемый характер можно использовать для измерения времени.
Проблема с маятниками заключается в точности и обслуживании. Кинетическая энергия в потенциальную (и наоборот) не передается идеально. Есть много факторов, которые означают, что кинетическая энергия уменьшается, например, сопротивление воздуха. В конце концов, часы замедлится и станут неточными. Маятниковые часы нужно было регулярно заводить, чтобы точно показывать время.
Пружины для часов
У маятниковых часов был еще один существенный недостаток: их нельзя было носить с собой. Маятники нужно было держать в одном месте, чтобы поддерживать свой ритм, поэтому потребовался новый механизм для создания портативного генератора для питания часов.
Первый переносной часовой механизм, приведший к изобретению карманных часов примерно в 17 веке.
Эти часы работали с пружиной, которая была туго закручена, чтобы обеспечить мощность при медленном раскручивании. Им также нужна была «колеблющаяся масса».
Подобно гармоническому осциллятору в часах с маятником, который неоднократно передавал различные формы энергии туда и обратно, колеблющаяся масса в карманных часах выполняла ту же работу. Это часть часов, которая поддерживает устойчивый ритм и также важна для работы кварцевых часов.
Это колеблющаяся масса, которая отсчитывает время. Чем точнее и контролируемее это, тем лучше часы.
Первые карманные часы могли терять точность на несколько часов в течение дня и не имели минутной стрелки, потому что первоначальная колеблющаяся масса была очень неточна.
Однако балансовая пружина и балансовое колесо были изобретены. Они колебались с фиксированной резонансной частотой. Или, другими словами, движение осциллятора было более регулярным и, следовательно, более точным, чем когда-либо прежде. Движение стало более предсказуемым и дольше оставалось регулярным, поэтому лучше следили за временем.
Однако была одна проблема; надо было не забыть завести часы! Если вы забудете, механизмы часов перестанут колебаться, и часы больше не будут фиксировать время.
То замедлится, то остановится.
Кварц
Чтобы найти ответ, часовщикам нужно было найти материал, который не теряет энергию при колебаниях, и найти совершенно новый способ питания часов. Для того чтобы это произошло, часовщикам пришлось ждать открытия электричества и изобретения батареек. Они сочетаются с кварцем, чтобы создать часы, которые мы используем сегодня.
Как работает кварц?
В 1880 году Жак и Пьер Кюри обнаружили удивительные свойства кварца. Самое главное, что он пьезоэлектрический.
Когда кварц сжимается или изгибается, он генерирует электрический заряд на своей поверхности. Это работает и в обратную сторону: если к кварцу приложить небольшой электрический заряд, он лишь слегка сожмется или согнется.
Это может показаться не таким уж особенным, но это произвело революцию в часовом деле. Этот электрический заряд означал, что кварц имел колебательное напряжение на своей поверхности. Он мог колебаться (повторять движение вперед-назад) чрезвычайно точно и долго.
Кроме того, кварц обладает выдающейся устойчивостью к температуре. Это означает, что когда кварц колеблется, на него не влияют внешние условия, такие как температура, и поэтому он будет оставаться точным в течение длительного периода времени. Это означает, что кварц является одним из лучших генераторов.
Однако в конце концов он перестанет колебаться. Представьте себе колокол, который создает звон за счет вибраций. В колокол он ударил, звук создается и постепенно затухает по мере уменьшения вибрации. Люди должны были найти способ поддерживать регулярное колебание кварца, если он собирался быть полезным в часовом деле.
Кварц и электрические цепи
В 1928 году Уоррен Моррисон обнаружил, что, пропуская заряд через кварцевый кристалл, он может поддерживать устойчивый ритм. Это было важно для следующих нескольких десятилетий развития часов.
Было обнаружено, что электрический заряд, естественным образом создаваемый на поверхности кристалла кварца под давлением, можно снять с поверхности материала с помощью электродов и электрической цепи.
Затем заряд усиливается через транзистор и снова подается на кварц. Электрический заряд непрерывно перемещался по кварцу и обеспечивал его постоянные колебания. Особые свойства кристалла означали, что во время этого процесса почти не терялась энергия, поэтому он был очень эффективным.
Технология в сочетании с кварцем позволила ему продолжать колебаться в течение длительного периода времени без потери энергии. Это был самый точный осциллятор и идеальный способ питания часов.
Батарейки
Поэтому для каждых кварцевых часов требуется батарейка. Батарея посылает электричество на кварц по цепи. Благодаря пьезоэлектрическим свойствам кварца батарея заставляет его вибрировать (колебаться) с очень определенной частотой: 32768 раз в секунду.
Схема подсчитывает количество вибраций и использует их для создания электрического импульса. Один импульс на каждые 32768 колебаний. Один каждую секунду.
Импульсы приводят в действие двигатель, который вращает стрелки часов.
Вкратце
Кварцевые часы работают как:
- Батарейка вырабатывает ток в цепи часов, частью которой является кристалл кварца.
- Этот ток заставляет кварц вибрировать ровно 32768 раз в секунду.
- Схема считает колебания и превращает каждые 32768 колебаний в один электрический импульс.
- Электрические импульсы питают крошечный электродвигатель, который преобразует электрическую энергию импульсов в механическую энергию.
- Эта энергия вращает шестеренки в часах.
- Шестерни заставляют стрелки часов двигаться по циферблату.
Почему кварц используется в часах?
Кварц используется в часах, потому что он как минимум в 100 раз точнее предыдущих механизмов и служит очень долго. Кварцевые часы – лучший выбор по надежности и точности.
Историческое значение
Кварцевый кризис
Кварц перевернул часовую индустрию с ног на голову в так называемом кварцевом кризисе или кварцевой революции.
Хотя свойства кварца были открыты почти столетие назад, только в 1970-х и 80-х годах кварц стал обычным явлением в часовом производстве.
Это изменение привело к огромным экономическим потрясениям, поскольку кварцевые часы заменили механические часы. Это началось, когда часы назвали Выпущен Astron .
Конкуренция за кварцевые часы
В конце 1950-х и в начале 60-х годов швейцарские и японские часовщики стремились создать первые кварцевые часы. Настолько, что был создан Центр электронного часового искусства (CEH), в котором двадцать различных швейцарских производителей часов могли сотрудничать для разработки первых кварцевых часов швейцарского производства.
Японская компания Seiko впервые представила портативные кварцевые часы, которые они назвали Seiko Crystal Chronometer QC-9.51. Через пару лет выпустили прототипы первых в мире кварцевых карманных часов. В 1967 году и Seiko, и CEH в Швейцарии создали прототипы первых кварцевых наручных часов.
Тем не менее, именно Seiko выпустила первые официальные кварцевые часы Astron в 1969 году. Это положило начало кварцевой революции, также известной как кварцевый кризис.
Японский кварцевый механизм
Поскольку первые кварцевые часы пришли из Японии, механизм, посредством которого работают кварцевые часы, часто называют Японский кварцевый механизм . В нем описывается механизм использования кварца для питания и сохранения времени в часах.
Часы Astron были невероятно популярны, и это означало, что часовщики должны были изменить свой процесс или остаться позади.
Экономический эффект
В 1970-х и 80-х годах произошли огромные изменения, когда экономическая власть перешла от швейцарских производителей часов, которые в то время производили почти исключительно механические часы, к японским производителям, таким как Seiko, Citizen и Casio.
Часовая промышленность пережила огромные потрясения, но адаптировалась. Большинство признанных производителей часов восприняли изменения в технологии и начали выпускать собственные версии кварцевых часов.
Эпоха кварца была в полном разгаре.
Сегодня кварц по-прежнему является самым популярным механизмом, используемым для приведения часов в действие, и широко используется в часовой промышленности. Швейцарские часы Mondaine работают с использованием кварца, что обеспечивает наилучшую точность в сочетании со стилем и дизайном.
Механические против кварцевых
Если вы ищете новые часы, какой механизм выбрать?
Механические часы приводятся в действие с помощью пружины и должны быть заведены. Кварцевые часы, с другой стороны, используют батарею в сочетании с кристаллом кварца.
Кварцевые часы имеют много преимуществ перед механическими, поэтому в наше время мало кто выбирает механические часы. Кварц служит дольше и примерно в 100 раз точнее, чем старые механизмы, использовавшиеся в часах. Это также часто дешевле, чем механические альтернативы.
Тем не менее, некоторые люди по-прежнему выбирают механические часы из-за их изысканного мастерства и эстетической привлекательности.
Кварцевые часы по-прежнему популярны?
С тех пор, как кварц впервые появился в часовой промышленности, многое изменилось. За последние несколько десятилетий произошел огромный скачок в технологии, и это отразилось на производстве часов.
С 2010 года смарт-часы представлены на рынке и становятся все более популярными, например гибридные смарт-часы Mondaine Helvetica.
Несмотря на популярность смарт-часов, кварцевые часы по-прежнему популярны, вероятно, из-за того, что не все хотят, чтобы часы считали шаги или уведомляли о сообщениях!
Время покажет, как новейшие достижения в области технологий повлияют на часовую индустрию и популярность кварцевых часов. Но мы знаем, что кварцевые часы с их непревзойденной точностью и высококачественной механикой еще долго будут оставаться популярными.
Как работают электронные часы? Полное руководство по цифровым часам
Исаак
Так как же работают электронные часы? Цифровые часы работают аналогично кварцевым часам, используя электронный кварцевый хронометраж с цифровыми дисплеями для отображения времени.
Внутреннее устройство цифровых часов можно разделить на три основных компонента:
- Источник питания
- Механизм хронометража
- Цифровой дисплей времени
1. Источник питания
Источником питания для цифровых часов является электричество, которое может быть либо от аккумуляторной батареи, либо от сети переменного тока. Это зависит от самих часов, и у каждого есть свои преимущества и недостатки.
Цифровые часы с питанием от сети переменного тока в основном используются для настенных или стационарных часов, которые не предназначены для перемещения.
Преимущество часов этого типа в том, что им не нужно периодически менять батарейку, так как питание подается напрямую от домашней электросети. Он также обычно используется для часов большего размера, которым требуется много электроэнергии для работы (больше, чем может дать обычная батарея).
Для сравнения, часы с батарейным питанием нуждаются в периодической замене элемента питания. Из-за ограниченного электрического заряда он также предназначен только для часов меньшего размера, а не для больших гигантских часов. Лучшее преимущество — возможность быть мобильным (как в случае с цифровыми наручными часами и маленькими будильниками). Поскольку источник питания также является независимым, любое отключение электроэнергии в вашем доме не повлияет на часы.
Выбор часов с питанием от батареи или переменного тока будет зависеть от того, какие часы вы хотите иметь. Например, если это простые наручные или настенные часы, то для питания часов достаточно батарейки.
Но если нужные вам часы имеют больше функций, например, встроенное радио, то в этом случае больше подойдет питание от сети переменного тока.
2. Хронометрический механизм
Во всех цифровых часах используется электронный хронометрический механизм , используя внутри него интегральную схему/микрочип. Но есть 2 разных генератора, которые обычно используют цифровые часы: кварцевый генератор или генератор, использующий частоту сети переменного тока.
Генераторы являются сердцем любых часов, потому что это механизм хронометража, который сообщает часам, что такое определение «1 секунда». Оттуда часы могут выполнять свою работу, активируя свой счетчик для подсчета минут, часов, дней и т. Д. Короче говоря, осцилляторы — это единственное, что отслеживает время в часах.
Первый тип использует собственную частоту сети переменного тока, которая составляет 50 или 60 Гц. Часы (обычно те, для которых требуется подключенное питание) будут затем использовать этот сигнал и разделять его несколько раз, пока не будет 1 сигнал в секунду (или 1 Гц).
С этого момента часы могут использовать этот сигнал для хронометража.
Второй тип использует кварцевый осциллятор, очень похожий на то, как работают кварцевые часы. Внутри часов находится очень маленький кристалл кварца (или просто песчинка/кремнезем), который имеет форму камертона. Итак, кварц — это пьезоэлектрический материал, в котором он будет вибрировать, когда через него проходит электричество (и наоборот).
Часы будут передавать электричество на кварц, и он будет вибрировать с частотой 32 768 Гц. Эта вибрация будет обнаружена как сигнал и будет разделена до тех пор, пока не будет равна 1 сигналу в секунду. Окончательный сигнал от механизма хронометража будет передан на дисплей времени.
3. Цифровой дисплей времени
Существует 3 основных типа цифровых дисплеев: механический цифровой дисплей, 7-сегментный цифровой дисплей и современный цифровой дисплей. Давайте посмотрим на каждого из них.
Первый тип цифровых часов – это механические цифровые часы с дисплеем.
Это дисплей с цифрами, но цифры меняются механически (вроде как меняется дата в обычных часах). Это один из первых типов цифровых часов, и сегодня он довольно редок, потому что другие 2 типа дисплеев более эффективны и дешевле в производстве.
Второй тип — 7-сегментный цифровой дисплей. Я уверен, что вы узнаете старый тип цифровых дисплеев с фиксированными черными полосами. Это может измениться в зависимости от отображаемых чисел, просто затемняя полосы по мере необходимости. В настоящее время это один из наиболее широко используемых цифровых дисплеев для часов.
Последний тип – это современные цифровые дисплеи, использующие LCD (жидкокристаллический дисплей) или LED (светоизлучающие диоды). Этот дисплей можно увидеть на многих умных часах, где в часах используется более продвинутый и красивый дисплей. Цифры на этом типе дисплея также легче понять, поскольку он не такой «блочный», как 7-сегментный цифровой дисплей. Кроме того, эти дисплеи обычно имеют цвета, которые делают их более привлекательными.
Основное преимущество цифровых дисплеев в часах заключается в простоте определения времени. Наш мозг может быстрее регистрировать время, глядя на числа (на цифровом дисплее), по сравнению с классическими аналоговыми часами с тремя стрелками. Это единственное преимущество является большим, особенно для тех, кому нужно уметь определять время так быстро, как они могут.
Из чего сделаны цифровые часы?
В настоящее время в большинстве цифровых часов в качестве основных компонентов используется пластик, особенно для внешнего корпуса. Пластик — отличный материал, поскольку он дешевый и ему можно придавать различные формы. Он также прочный и очень легкий. Есть также более дорогие цифровые часы, в которых в качестве материала корпуса используется нержавеющая сталь или алюминий (например, часы Apple).
Внутренние компоненты часов представляют собой типичные электронные компоненты : микросхемы, аккумулятор, провода и так далее.
Микрочип обычно изготавливается из кремния, а светодиодный дисплей может быть изготовлен из фосфида галлия или других материалов.
Материал для ремешка является более традиционным с использованием резиновых, стальных или кожаных ремешков (все виды материалов уже доступны на большинстве часов).
Похожие вопросы
Как запрограммировать цифровые часы? Программирование цифровых часов можно выполнить, перейдя в режим установки времени и изменив его время. Поскольку это во многом зависит от типа используемых часов и доступных настроек, рекомендуется прочитать руководство пользователя или посмотреть видео на YouTube о том, как установить время для ваших конкретных цифровых часов.
Какими были первые цифровые часы со светодиодным дисплеем? Pulsar были первыми цифровыми наручными часами со светодиодным дисплеем, представленными в 1970 году. Это одни из часов Hamilton, которые также были показаны в фильме Стэнли Кубрика «2001: Космическая одиссея».

