Что такое JFP1 и как его использовать на материнской плате
Вы когда-нибудь видели разъем JFP1 на вашей материнской плате?
В этой статье я расскажу, что такое коннектор JPF1 и что с ним можно делать.
Что такое JFP1 и когда его использовать
JFP1 расшифровывается как «Jumper Front Panel 1». Как вы, наверное, уже догадались из названия, это разъём материнской платы, используемый для настройки передней панели, включая подключение питания, сброса и подключения динамиков.
Он позволяет включать компьютер, перезагружать его и выполнять другие действия, поэтому крайне важно подключить его к кабелям передней панели корпуса. Только тогда вы сможете использовать кнопки питания или сброса на передней/верхней части корпуса ПК.
Можно ли подключить разъёмы к любому контакту JFP1
Нет, выводы для JFP1 четко обозначены на кабелях передней панели и должны совпадать с разъёмом JFP1.
При желании можно вообще не настраивать разъёмы на передней панели или настроить только некоторые разъёмы на материнской плате.
Он не будет выдавать какие-либо ошибки или что-то в этом роде. Например, если разъём JFP1 сконфигурирован без подключений на передней панели, то все разъемы на передней панели на материнской плате ни к чему не подключены. Это означает, что вы не сможете запустить компьютер или что-либо ещё, связанное с разъемами на передней панели.
Но, вы все равно можете соединить (подключить) контакты питания на разъёме JFP1, чтобы включить компьютер, если хотите.
Иногда разъемы (+) и (−) разделены – зачем
«Виноваты» производители.
Трудно поверить, что эти разъёмы существуют десятилетиями и стандартов до сих пор нет. Но так оно и есть, и именно поэтому вы видите это несоответствие.
Некоторые производители разделяют все кабели на один вариант провода, который необходимо подключать по отдельности.
У некоторых светодиодные кабели подключены, а кабели питания и перезагрузки оставлены отдельными по какой-то бессмысленной причине.
С другой стороны, вы найдёте несколько замечательных материнских плат/корпусов, у которых все кабели передней панели подключены к одному разъёму, который вы легко подключаете, вместо того, чтобы возиться с девятью разными кабелями.
Имеет ли значение, где находятся (+) и (−)
На самом деле, нет.
Но, лучше подключать положительные концы к положительным, а отрицательные к отрицательным, но это не имеет большого значения для кабелей питания и сброса. Всё будет работать нормально в любом случае.
Единственными контактами на передней панели, которые заботятся о полярности (+ или −), являются светодиодные. Поэтому убедитесь, что полярность светодиодных кабелей соответствует разъёму JFP.
Что делать, если разъёмы на передней панели слишком длинные?
Иногда разъёмы на передней панели могут быть настолько высокими, что мешают вам установить что-либо в нижней части материнской платы.
Это случилось со мной во время сборки компьютера, когда я устанавливал четыре графических процессора.
Я не смог установить четвертый, потому что кабели переднего разъёма были слишком длинными и мешали радиатору графического процессора.
К счастью, это легко исправить. Просто снимите чёрный пластиковый кожух, защищающий кабель.
Затем вы можете напрямую подключить кабель к штырям, обернув кабель вокруг штырьков.
Это деликатный процесс, но его не так уж сложно сделать с помощью «твёрдых рук». Также можно использовать тонкий пинцет.
Что в итоге
Это была короткая статья о том, что такое JFP1 и для чего он используется, а также некоторые общие вопросы, которые могут у вас возникнуть об этой, по общему признанию, сложной части материнской платы.
Вывод следующий – разъём JFP1 используется для подключения некоторых кнопок на передней панели вашего корпуса, светодиодов питания и переключателей, таких как кнопки «Пуск» или «Сброс».
Часто задаваемые вопросы о JFP1
Что означает JFP1?
JFP1 означает «Jumper Front Panel 1».
Все ли материнские платы имеют разъём JFP1?
Да. Каждой материнской плате нужен способ заставить компьютер включиться и работать, для чего и нужны разъёмы JFP.
Некоторые материнские платы, используемые для целей тестирования, могут иметь кнопки «Пуск» и «Сброс» на самой материнской плате, чтобы с ними было легче работать.
Но в большинстве случаев вам нужно будет подключить разъёмы передней панели или замкнуть контакты, чтобы компьютер включился.
Нужно ли подключать все разъёмы передней панели к разъёму JFP1?
Нет. Хотя будет лучше, если вы подключите их все, но вы можете подключить только разъём питания.
Технически вы можете ничего не подключать и замыкать контакты питания, чтобы включить компьютер. Я так делаю, когда тестирую машину. Но если вы планируете использовать компьютер какое-то время, я бы рекомендовал подключить хотя бы разъём питания.
Все ли материнские платы имеют одинаковые разъёмы на передней панели?
В общем, да. Но у некоторых производителей есть проприетарные материнские платы и/или разъёмы, но обычно они оставляют базовые разъёмы прежними.
POST материнских плат MSI — Вопросы на DTF
Привет, DTF! Родился вопрос к спецам по сабжу в части самодиагностики при запуске ПК. Если по существу — вопрос озвучен в самом конце топика, а любителям обуительных предысторий — добро пожаловать на следующий абзац.
4126 просмотров
Имеется: материнская плата MSI Z370-A PRO.
Почти три года пользую, проблем не знаю. Выпала удача заменить в ПК видеокарту на новую. Собственно, заменил — и при старте ПК услышал четыре коротких звуковых сигнала. При этом, монитор инициализировался, картинка появилась. Я немного напрягся, вспомнив про POST, но прерывать загрузку системы не стал, решил понаблюдать за развитием ситуации. Винда загрузилась в штатном режиме, ошибок в диспетчере устройств нет, накатил драйвер на видеокарту, всё ОК. Несколько раз ребутнул ПК — никаких отклонений от нормы, кроме 4-х кратного сигнала на старте. Полез в интернеты вспоминать расшифровку сигналов POST. Судя по всему, на мат. платах MSI с биосом AMI 4 коротких сигнала означают «проблемы с материнской платой, а точнее с микросхемой системного таймера, находящейся на мат. плате». Однако, есть в сети и варианты расшифровки такого сигнала в адрес неисправной видеокарты — ошибка видеопамяти.
Далее, решил вернуть на место старую видеокарту — всё пришло в норму — 1 короткий сигнал, подтверждающий успешное прохождение POST.
Становится интереснее.
Снова поменял видеокарту на новую. Снова 4 коротких сигнала. Очевидно, дело не в мат.плате. Посмотрел инициализацию видеокарты в GPU-Z, прогнал несколько стресс-тестов в паре программ, включая FureMark — везде всё ок. Хотел ещё протестировать отдельно видеопамять при помощи Nvidia MATS/MODS, но тест запустить не смог, словил ошибку, что-то там с идентификацией видеокарты. Списал это на то, что MATS/MODS (mats.img), которым я воспользовался выпущен не позднее 11.02.2019, в то время как сама видеокарта куда моложе (в продаже с 02.12.2020).
Далее, вспомнил, что на мат.плате есть EZ Debug LED — 4 индикатора (cpu/dram/vga/boot) — загорающихся в случае проблем с соответствующем железом при старте ПК. В моём случае все индикаторы «молчат». Аналогично, на видеокарте есть индикатор, отображающий проблемы с питанием. Опять же, в моём случае, всё в норме.
Решил обнулить биос, но предварительно пробежался по текущим настройкам — и был очень удивлён, когда увидел, что звуковая индикация прохождения POST у меня отключена.
Соответственно — включил её и ребутнул ПК…
И вот что в итоге: спустя 1-2 секунды после старта ПК я слышу привычные 4 коротких звуковых сигнала, и затем, спустя ещё секунду — 1 короткий звуковой сигнал, другой тональности, из «другого угла» системника. Тот самый 1 короткий звуковой сигнал POST об успешном самотесте.
Что же тогда я слышу в самом начале старта ПК, что за 4 коротких сигнала? В мануале на мат.плату нашёл следующую инфу: на плате есть 4-х контактный разъем JFP2 с распиновкой: pin1Speaker -, pin2Buzzer +, pin3Buzzer -, pin4Speaker +. В этот разъем JFP2 у меня подключен 4-х контактный коннектор с двумя активными пинами — 1 и 4, сами провода уходят куда-то в недры пластикового кожуха системника, но, подозреваю, там скрывается что-то наподобие:
Отсюда, похоже, и слышны 4 коротких звуковых сигнала.
ВНИМАНИЕ: главный вопрос знатокам — что/кто/как/откуда/зачем/почему/нафига и т.д. — нужен этот спикер/баззер и что же, всё-таки означают 4 коротких сигнала, учитывая, что это вовсе не сигналы POST? Имеют ли они отношение к POST? И что этот спикер/баззер может делать у меня в разъеме JFP2, особенно, учитывая несоответсвие распиновки разёма и коннектора?
В общем, буду признателен любой инфе на тему спикер/баззер и его актуальность в современных системах.
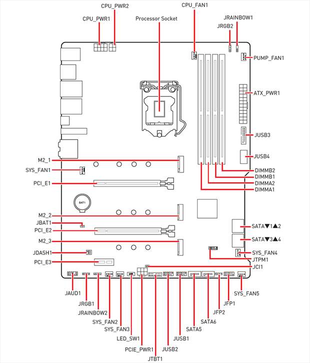
Что такое JFP2 на материнской плате? Как использовать
Разъемы JFP2 обычно располагаются на передней панели материнских плат с выводами. Его основные задачи заключаются в подаче питания на устройство, перезагрузке устройства и управлении светодиодными индикаторами на устройстве. Иногда на материнской плате имеется разъем для динамика или зуммера с маркировкой JFP2.
Где найти схемы материнских плат
Включите JavaScript
Где найти схемы материнских плат
Ранее я использовал MSI h210M и Intel i3 6100. (Знаю, знаю, это не впечатляет. Я был коплю на Intel i5 8500 и, возможно, на Gigabyte Z370P.0005
Между тем, в игровой плате MSI h210m отсутствует функция RGB Fusion, и я рассматриваю возможность использования разъема JFP2 на материнской плате в качестве разъема гибридного вентилятора.
Я узнал кое-что о функции этого заголовка панели на собственном горьком опыте, но вам не нужно. Я подготовил эту статью, чтобы познакомить вас со всем, что вы должны знать о JFP2 на материнской плате, независимо от модели, которую вы используете в настоящее время.
Начнем.
Основные темы этой статьи
- 1 Что такое JFP 2 на материнской плате?
- 2 Что можно подключить к JFP2?
- 3 Все ли материнские платы имеют JFP2?
- 4 Можно ли подключить вентилятор к JFP2?
- 5 Расположение JFP2 на материнских платах (Asus, Gigabyte, MSI и Asrock)
- 5.1 Расположение JFP2 на материнской плате Asus
- 5.2 Расположение JFP2 на материнской плате Gigabyte
- 5.3 Расположение JFP2 на материнской плате MSI 904022 5 Расположение JFP2 на материнской плате MSI
Что такое JFP 2 на материнской плате?
Как упоминалось ранее, JFP2 — это разъем на передней панели. При ближайшем рассмотрении вы заметите, что на нем есть контакты, которые могут подключать переключатели питания и сброса, а также светодиодные индикаторы к материнской плате.
Как правило, разъемы на передней панели — это разъемы на материнской плате, которые позволяют прикрепить переднюю панель корпуса компьютера к материнской плате.
JFP 2 обычно включает кнопки и индикаторы питания, сброса и других функций. Подключив соответствующие провода от передней панели к соответствующим контактам на разъеме JFP2, вы сможете управлять материнской платой и следить за состоянием системы с передней части корпуса компьютера.
Другими словами, разъем JFP2 имеет набор контактов, соответствующих выключателю питания, выключателю сброса и светодиодным индикаторам на передней панели. Это без учета фанатов. Если вы используете такие модели материнских плат, как Aorus, вы можете спросить: «Что произойдет с RGB на видеокарте ?»
Ну, к сожалению, дополнительного разъема для световых эффектов нет, поэтому придется устанавливать ПО Aorus Graphics Engine с сайта Gigabyte.
Кроме того, на некоторых материнских платах все светодиоды жесткого диска, выключатель питания светодиода питания и кнопка сброса подключены к JFP1, тогда как JFP2 используется для динамика или зуммера. Что такое JFP2 на материнской плате? как им пользоваться 4
Что можно подключить к JFP2?
Переключатели питания и сброса, а также светодиодные индикаторы на передней панели корпуса компьютера подключаются к разъему JFP2 для подключения к материнской плате.
На панели обычно есть кнопки и индикаторы питания, перезагрузки и других функций. Итак, как было сказано ранее, управлять материнской платой и следить за состоянием системы можно с лицевой стороны корпуса компьютера при подключении этих кнопок и индикаторов к разъему JFP2.
Вы также должны убедиться, что правильно выполнили соединения. Во-первых, вам нужно будет использовать набор проводов с разъемами на каждом конце — с соответствующими контактами для разъема JFP2.
Я не могу указать конкретные разъемы и назначение контактов для разъема JFP2, поскольку в конечном итоге это зависит от используемой материнской платы и передней панели.
Обычно рекомендуется обращаться к руководству по материнской плате, чтобы определить правильное подключение.
Все ли материнские платы имеют JFP2?
Нет, не все материнские платы имеют заголовок с названием «JFP2». Конкретные разъемы и разъемы на материнской плате могут различаться в зависимости от конструкции и технических характеристик платы.
Хотя на всех материнских платах имеются разъемы для выключателей питания и сброса, а также подключения светодиодных индикаторов, они обычно находятся на передней панели корпуса компьютера.
Однако заголовок может называться иначе, чем «JFP2». Кроме того, он может быть разработан с различными выводами и макетами.
Итак, если вам трудно найти заголовок JFP2 на материнской плате, возможно, на вашем мобильном устройстве нет порта или он называется как-то иначе. Порт может иметь разное количество контактов или макетов.
Следовательно, было бы лучше обратиться к руководству по вашей материнской плате, чтобы определить правильный разъем для использования. Таким образом было бы проще определить расположение и назначение всех разъемов и разъемов на материнской плате.
Можно ли подключить вентилятор к JFP2?
К сожалению, к JFP2 нельзя подключить вентилятор. Заголовок панели предназначен только для передних разъемов, индикаторов питания/спящего режима и динамиков, но не для вентиляторов питания.
Если вам интересно, куда подключить вентилятор к материнской плате, кроме разъемов корпуса, рассмотрите возможность использования разветвителя вентилятора или концентратора вентилятора.
Один из часто задаваемых вопросов о JFP2 — можно ли подключить корпусной вентилятор к порту на материнской плате. Хотя технически это не идеально, некоторые материнские платы имеют разъемы, специально предназначенные для питания вентиляторов, называемые «разъемами вентиляторов».
Коллекторы вентиляторов обычно имеют маркировку «FAN» и обычно имеют три или четыре контакта. Как правило, безопасно подключать вентилятор к разъему вентилятора на материнской плате.
Так что, опять же, не пытайтесь запитать вентилятор от разъема JFP2 или любого другого разъема, не предназначенного специально для этой цели. Результат всегда разрушительный. Вместо этого подключите вентилятор к материнской плате, используя только разъем для вентилятора, и используйте его для питания вентилятора.
Расположение JFP2 на материнских платах (Asus, Gigabyte, MSI и Asrock)
Расположение JFP2 на материнской плате Asus
Разъем JFP2 на материнской плате Asus обычно располагается рядом с разъемами на передней панели материнской платы, но его точное расположение может различаться в зависимости от конкретной модели материнской платы. Asus обычно указывает это в разделе руководства по разъемам панели.
Расположение JFP2 на материнской плате Gigabyte
Согласно руководству по материнской плате Gigabyte, № 13 — это нижний правый угол разъемов на передней панели. Однако есть исключения. Например, на материнской плате Aorus b450 Elite v2, которую я когда-то использовал, Gigabyte назвала ее F_PANEL вместо JFP1.
Расположение JFP2 на материнской плате MSI
На одной материнской плате MSI контакты JFP2 предназначены для передней панели. Так что вам просто нужно взять кабель передней панели и подключить его к этим контактам. На материнских платах MSI ищите аудиоразъем или сам порт.
Расположение JFP2 на материнской плате Asrock
На материнских платах Asrock разъем JFP2 предназначен для динамика материнской платы. Он существует, чтобы помочь вам услышать звуковые сигналы POST. Расположение этого заголовка находится в правом нижнем углу доски.
Вообще говоря, лучше обратиться к руководству по конкретной модели материнской платы, чтобы определить расположение разъема JFP2.
Буклет будет содержать схему или иллюстрацию материнской платы, на которой показано расположение и функции всех разъемов и разъемов, включая разъем JFP2, что упрощает поиск и требует меньше времени.
Некоторые производители материнских плат, такие как Asus и Gigabyte, даже предоставляют онлайн-схемы или иллюстрации соединений своих материнских плат. Таким образом, вы даже можете попробовать обратиться в службу поддержки материнских плат за помощью в поиске местоположения заголовка JFP2.
Последние мысли
Теперь, когда у вас есть полное представление о разъеме JFP2 на материнских платах и о том, как его использовать, очень важно подчеркнуть опасность неправильного толкования функции этого разъема.
Подключение неправильных устройств к разъему JFP2 может привести к повреждению материнской платы или подключенного устройства. Например, не следует пытаться подключить вентилятор к разъему JFP2, так как это может вызвать проблемы.
Кроме того, если разъем JFP2 не работает должным образом, это может помешать правильной работе переключателей питания и сброса, а также светодиодных индикаторов на передней панели корпуса компьютера.
Знание того, как работает JFP2, особенно для ваших моделей материнских плат, также необходимо, когда вы рассматриваете проблемы с подключением на передней панели, которые могут возникнуть при неправильной настройке разъема.
Помните, что если разъем JFP2 поврежден или ослаб, это может вызвать проблемы с соединениями на передней панели. Поэтому, как правило, важно обращать внимание на все разъемы и разъемы на материнской плате, чтобы убедиться, что они работают правильно и правильно настроены.
JPF1, JPF2, соединения вентилятора корпуса? Помощь!!
JavaScript отключен.
Для лучшего опыта, пожалуйста, включите JavaScript в вашем браузере, прежде чем продолжить.
- Статус
- Закрыто для дальнейших ответов.
- Добавить закладку
- #1
AMD Athlon 64 X2 5200+ Windsor 2,6 ГГц
SAPPHIRE Radeon HD 3850 512 МБ, 256-разрядная
MSI K9A2 CF-F AM2+/AM2 AMD
G.SKILL 2 ГБ (2 x 1 ГБ), 240-контактная память DDR2
Sony NEC Optiarc 20X DVD±R DVD Burner Black IDE Model
Кейс Cooler Master CM 690
—-
1) Для моего JFP1 цветные провода «+» и белый провод «-«? Когда я переворачиваю их, я вижу стрелки на цветной стороне провода, что только заставляет меня поверить, что это +, как я сказал выше.
.. правда? Не повредит ли это какие-либо аппаратные компоненты, если я просто угадаю и проверю?
2) Что мне делать с JFP2? У меня нет ни второго шнура «светодиода питания», который соответствует схеме, ни шнура динамика, я думаю…
3) У меня два 120-мм корпусных вентилятора… что мне делать с проводами ? Нашел только фото проводов. http://www.dansdata.com/images/2fans/ttkit480.jpg
У меня есть переходник с 3 контактов на Molex. Я понятия не имею, что подключать к блоку питания, а что нет. У меня три вентилятора, только один доходит до моба SYSFAN. Остальные должны быть подключены к БП, но какой? :/
—
Последний вопрос (наименее важный):
Для моего кабеля JSUB1, выходящего из верхней части корпуса, на разъеме (провода ). Я думаю, может, я толкнул один вверх или вниз? Я не уверен. Я пытался исправить это, но он не сдвинется с места. Это что-то, что я напутал, или что-то, что нельзя изменить, и у меня галлюцинации?
- Добавить закладку
- #2
В целом да.quote:являются ли цветные провода «+», а белый провод «-«?
JFP1 и JFP2 являются частичными копиями друг друга, не беспокойтесь о том, что индикатор питания не будет гореть ни на одном из них (или на обоих). Некоторые корпуса поставляются с 2-контактными светодиодами питания, некоторые — с 3-контактными (средняя пустая), поэтому MSI включает в себя оба.
Я полагаю, что вентиляторы вашего корпуса оснащены 3-контактными адаптерами? Если это так, подключите их к разъемам вентилятора на вашем MB. Или используйте адаптеры и подключите их к 4-контактным разъемам Molex вашего блока питания.
Неважно какой. Если ваши вентиляторы поддерживают считывание оборотов в минуту, вы не сможете подключить его напрямую к блоку питания, но вы можете получить его, если подключите их к MB. (вы также можете получить некоторые параметры управления скоростью вращения вентиляторов, подключенных непосредственно к MB, проверьте BIOS вашей системы).На самом деле не имеет значения, какой вентилятор вы куда подключаете.
Я я не уверен, что такое JSUB1, я полагаю, вы имеете в виду USB? Если вы частично вытолкнули разъем из гнезда, отсоедините разъем целиком и просто вставьте его обратно. Вы увидите, где стопорный палец входит в разъем. Возможно, вам придется осторожно отогнуть его, чтобы в следующий раз он зафиксировался более надежно.
Возможно, у вас тоже галлюцинации.
- Добавить закладку
- #3
Хорошо, круто. Должен ли я подключить JPW1? Должен ли я?
- Добавить закладку
- #4
Да, необходимо подключить JPW1.
Что касается разъемов на передней панели, то все штекеры будут одного цвета, обычно белого цвета. Обычный цвет — это сторона -, поэтому другой цвет — это + каждого. К счастью, переключателям Reset и Power/ATX все равно, если они переключаются в обратном направлении. Если индикатор жесткого диска или индикатор питания загорятся наоборот, они просто не загорятся.
Разъем USB имеет небольшие пластиковые пластины, которые удерживают металлические детали, поэтому просто снимите его и вставьте провод обратно. Как сказал Continuum.
Вентиляторы, которые вы видите, имеют желтый провод для контроля скорости. Эти головки настроены либо на питание Molex с желтым цветом на материнской плате, либо на питание от материнской платы без контроля скорости. Я бы рекомендовал включить питание Molex и подключить желтый провод к материнской плате. Таким образом, вы уменьшите потребляемую мощность на материнской плате и все еще будете знать, если вентилятор внезапно выйдет из строя. 120-миллиметровые наушники довольно тихие, поэтому вы можете их не услышать, если они начнут шататься, но монитор материнской платы покажет историю/статус через желтый провод на разъемах SYSFAN1 и SYSFAN2 на материнской плате.

